| № | Наименование | Примечание | Кол-во |
|---|---|---|---|
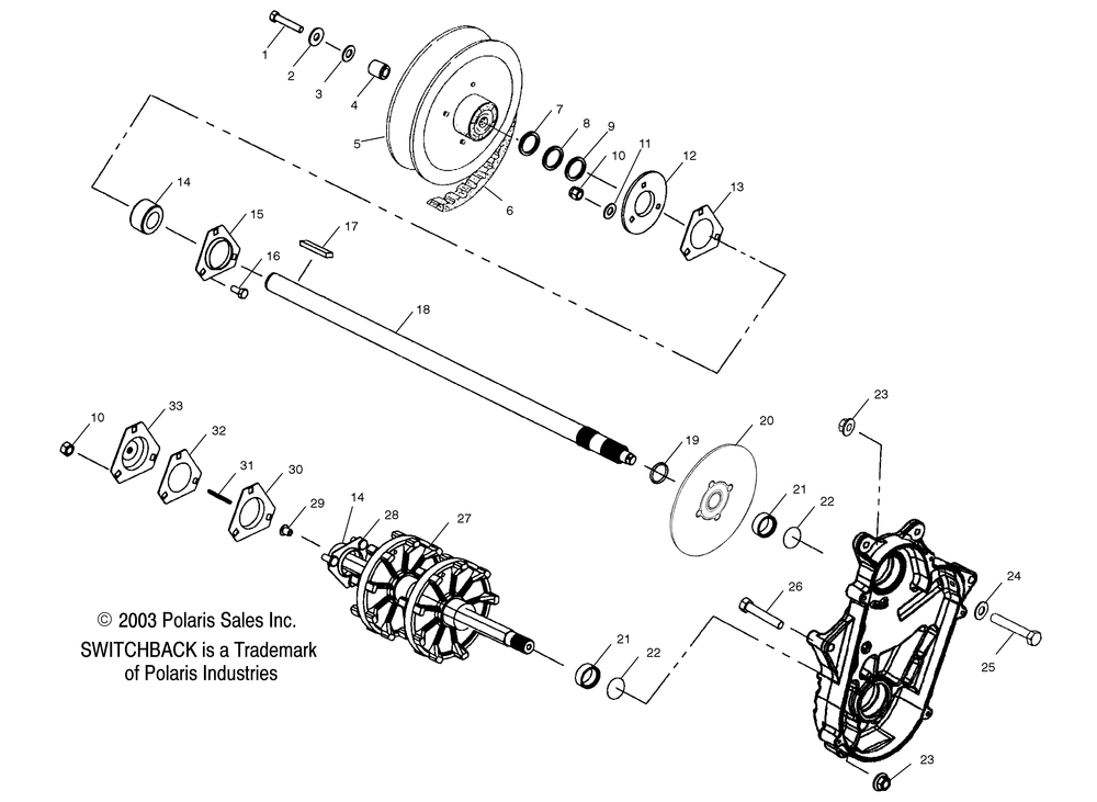
| 1 | BOLT | 1 | |
| 2 | WASHERFLAT | 1 | |
| 3 | WASHERFLAT(10) (10 per pack) | 0 | |
| 4 | SPACER-INPUT SHAFT.984X.940 | 1 | |
| 6 | BELT DRIVE(5) (5 per pack) | 1 | |
| 7 | WASHER | 1 | |
| 8 | WASHER(10) (10 per pack) | 0 | |
| 9 | BUSHING(10) (10 per pack) | 0 | |
| 10 | NUTNYLOK(10) (10 per pack) | 6 | |
| 11 | WASHERFLAT(10) (10 per pack) | 3 | |
| 12 | FLANGE RDRELUBE W/ZERK | 1 | |
| 12 | FITTINGLUB/VEN | 1 | |
| 13 | GASKETJACKSHAFTBLK | 1 | |
| 14 | BEARING | 2 | |
| 15 | FLANGETTE | 1 | |
| 16 | BOLTCARRIAGE | 3 | |
| 17 | KEY-1/4X3/16X2.75 | 1 | |
| 18 | ASM.JACKSHAFT15TW/BRG1.06 [Incl. 1419] | 1 | |
| 19 | RING RETAINING | 1 | |
| 20 | KIT-BRAKE DISCFORGED | 1 | |
| 21 | SLEEVE SEAL | 2 | |
| 22 | O RING(10) (10 per pack) | 2 | |
| 23 | NUTFLANGE | 3 | |
| 24 | WASHERWROUGHT | 1 | |
| 25 | SCR-3/8-16X2.25 HX/CP-G5-Y | 1 | |
| 26 | BOLTCARRIAGE | 2 | |
| 27 | ASM-DRSHAFT1.069T 2DR-WCB [Incl. 2526] | 1 | |
| 28 | ASM.-FLANGETTE W/SCREWS | 1 | |
| 29 | BUSHING METAL SPEEDO | 1 | |
| 30 | FLANGETTE-OFFSETW/HOLE | 1 | |
| 31 | KEYSPEEDOMETERSQUARE(10) (10 per pack) | 1 | |
| 32 | GASKETDRIVE ADAPTOR | 1 | |
| 33 | DRIVE-ADAPTOR W/ZERK | 1 |
