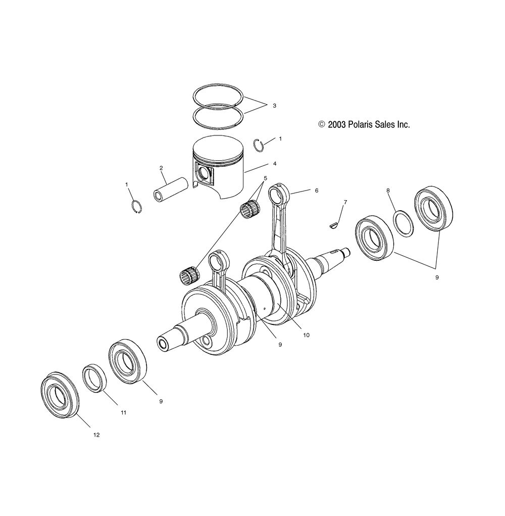
| № | Наименование | Примечание | Кол-во |
|---|---|---|---|
| KIT-CRANKSHAFT [Incl. 8-12][800] | 1 | ||
| 1 | CIRCLIPPISTON22MMX1.6 (2) (2 per pack) | 4 | |
| 3 | KITPISTONRINGSTANDARD85MM [800] | 2 | |
| 4 | KIT-PISTON ASM 85MM STANDARD GR [Incl. 1-3] [800] | 2 | |
| 5 | BEARING-17-22X27X25PNPINKOYO | 2 | |
| 6 | CONNECTINGRODKIT [800] [Incl. Rod Pin Bearing Washers] | 2 | |
| 7 | KEYWOODRUFF | 1 | |
| 8 | BUSHING | 1 | |
| 9 | BEARINGBALL | 4 | |
| 10 | BEARINGBALL | 1 | |
| 11 | SPACER | 1 | |
| 12 | BEARINGBALLEXTRACE | 1 |
