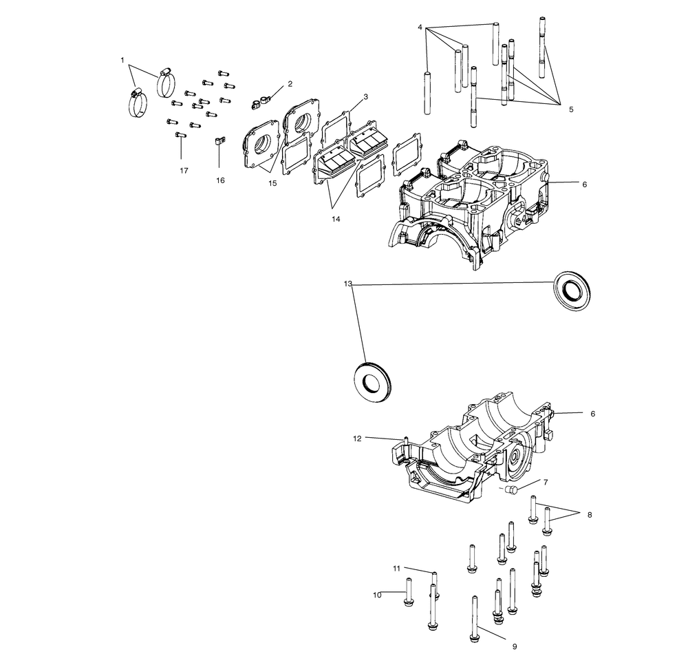
| № | Наименование | Примечание | Кол-во |
|---|---|---|---|
| 1 | CLAMPHOSESS | 2 | |
| 2 | CLAMPWIRE/TUBE | 2 | |
| 3 | GASKET-REED V-FORCE/G130 | 4 | |
| 4 | STUDCYL 81MM | 4 | |
| 5 | STUDCYL 118MM | 4 | |
| 6 | KIT-CRANKCASE 1202274 [Incl. 457-12] | 1 | |
| 7 | PLUG | 2 | |
| 8 | BOLTM8X1.25X55 | 2 | |
| 9 | BOLTM8X1.25X80 | 8 | |
| 10 | SCREW | 1 | |
| 11 | BOLTM8X1.25X45 | 4 | |
| 12 | PIN DOWEL | 2 | |
| 13 | SEALFLANGED | 2 | |
| 14 | ASM-REED VALVEV-FORCEV25130 | 2 | |
| 15 | ADAPTER-CARB 44-01 SHORT | 2 | |
| 16 | CLAMPHOSE | 1 | |
| 17 | SCREW(10) * (10 per pack) | 12 |
