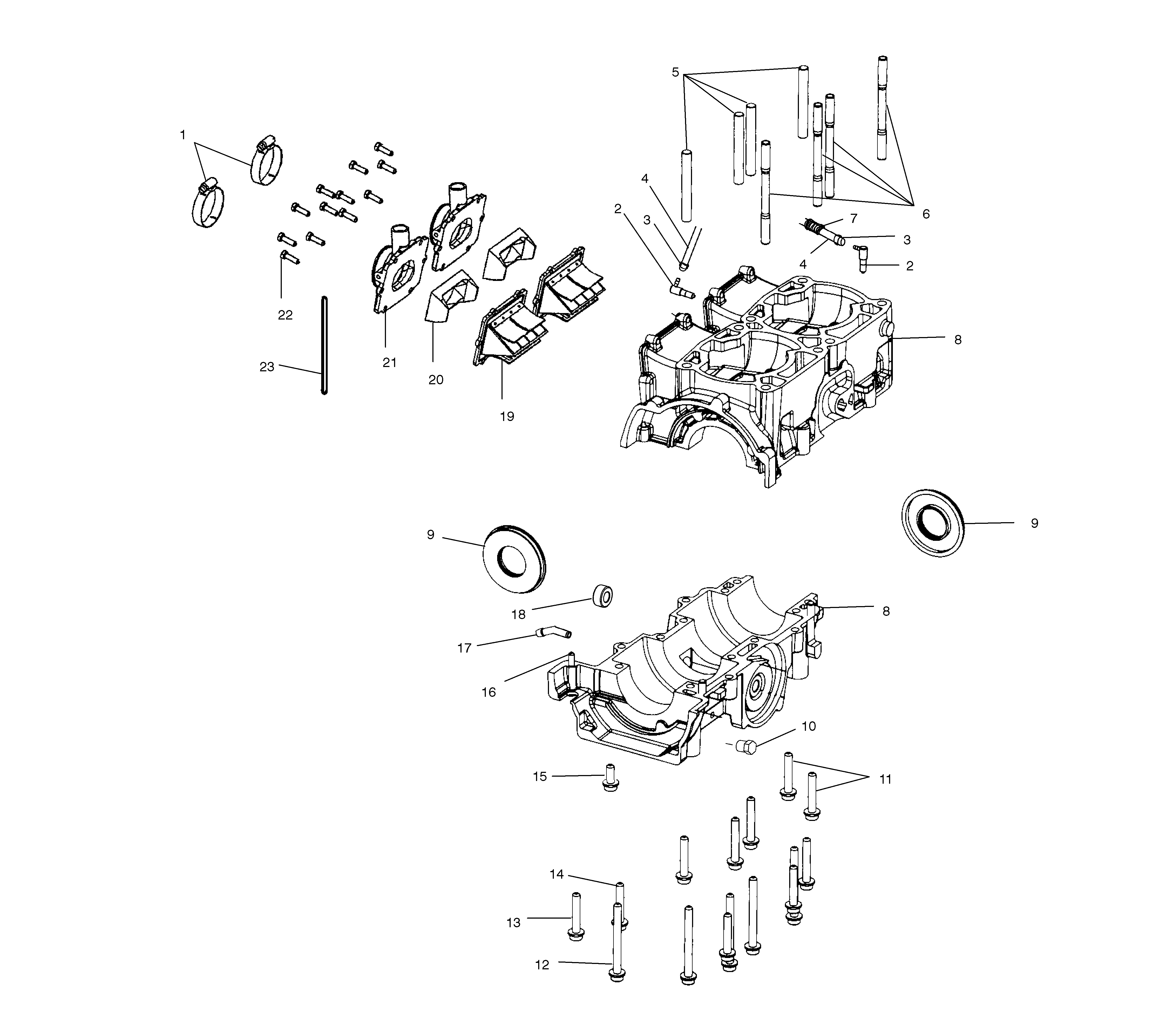
| № | Наименование | Примечание | Кол-во |
|---|---|---|---|
| 1 | CLAMPHOSESS | 2 | |
| 2 | VALVECHECK90 DEG. | 2 | |
| 3 | CLAMP | 2 | |
| 4 | LINEFUEL3MMX7MM | 0 | |
| 5 | STUDCYL 81MM | 4 | |
| 6 | STUDCYL 118MM | 4 | |
| 7 | TUBING-CONVOLUTED25CM | 1 | |
| 8 | KIT-CRANKCASE 1202627 [Incl. 5610-16] | 1 | |
| 9 | SEALFLANGED | 2 | |
| 10 | PLUG | 2 | |
| 11 | BOLTM8X1.25X55 | 2 | |
| 12 | BOLTM8X1.25X80 | 8 | |
| 13 | SCREW | 1 | |
| 14 | BOLTM8X1.25X45 | 4 | |
| 15 | SCREW | 1 | |
| 16 | PIN DOWEL | 2 | |
| 18 | Bearing Pumpshaft | 1 | |
| 19 | VALVEREEDASM. | 2 | |
| 20 | STUFFER-REED BLOCKNOK | 2 | |
| 21 | ADAPTER-CARBURETOR | 2 | |
| 22 | SCREW | 12 | |
| 23 | RETAINERSS. | 1 |
