| № | Наименование | Примечание | Кол-во |
|---|---|---|---|
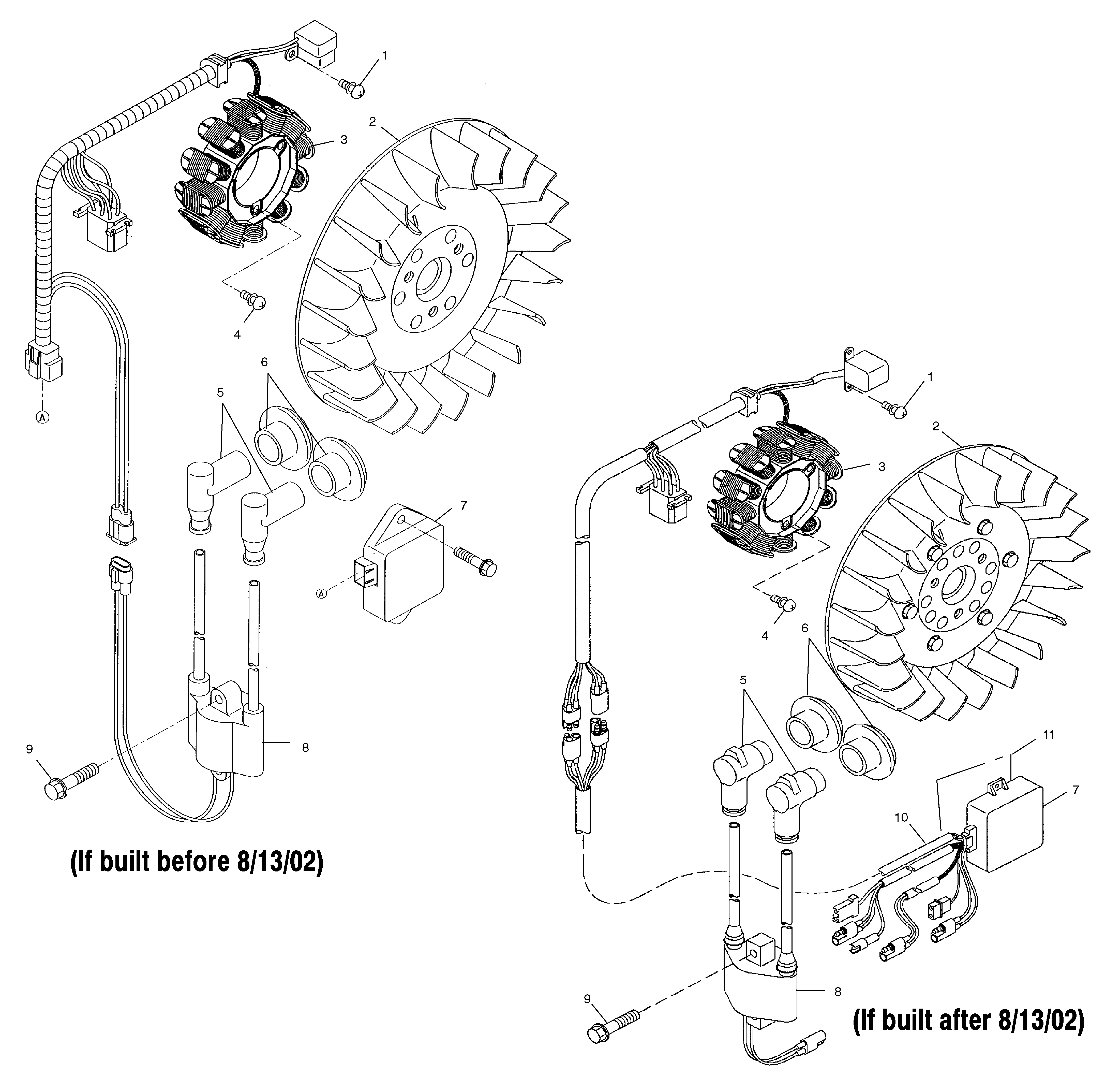
| 1 | ASM.SCREW AND WASHER(10) (10 per pack) | 2 | |
| 2 | FLYWHEEL ASM. (If built before 8/13/02) | 1 | |
| 2 | ASM-FLYWHEEL | 1 | |
| 3 | Stator | 1 | |
| 3 | ASM-STATOR | 1 | |
| 4 | ASM.SCREW AND WASHER(10) (10 per pack) | 3 | |
| 5 | CAPSPARK PLUG | 2 | |
| 6 | CAPSPARK PLUG | 2 | |
| 7 | CDI SYSTEM (If built before 8/13/02) | 1 | |
| 8 | ASM.IGNITION COIL [Incl. 6] | 1 | |
| 9 | BOLT-FLANGE | 2 | |
| 10 | UNIT-HARNESS | 1 | |
| 11 | ASM-CDI SYSTEM [Incl. 79](If built before 4/01/03) | 1 |
