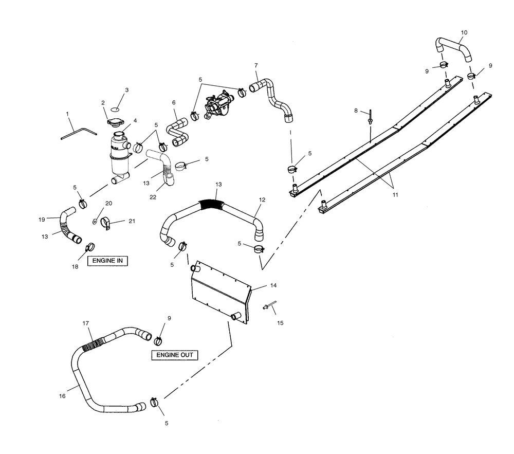
| № | Наименование | Примечание | Кол-во |
|---|---|---|---|
| 1 | LINEFUEL1/4 ID(1525 CM.) [BULK SVC] | 1 | |
| 2 | CAP PRESSURE(13 LB) *** | 1 | |
| 3 | DECAL-WATER BOTTLE CAP | 1 | |
| 4 | WELD-COOLANTBOTTLE W/BYPASS | 1 | |
| 5 | CLAMPSPRINGBAND 35/12BLK | 8 | |
| 6 | HOSE-BRAKE OUT/BOTTLE IN | 1 | |
| 8 | RIVET3/16X.402(50) (50 per pack) | 22 | |
| 9 | CLAMPSPRINGBAND 32/12 (10) (10 per pack) | 3 | |
| 10 | HOSECROSSOVERWEAR STRIP | 1 | |
| 11 | WELD-WEARSTRIP COOLERRC [Pro X] | 2 | |
| 12 | HOSE-CEN COOL OUT/STRIP IN | 1 | |
| 13 | TUBINGCONVOL1"X2.5" | 2 | |
| 14 | WELD-COOLERBULKHEAD | 1 | |
| 15 | RIVETINTERLOCKZ(50) * (50 per pack) | 8 | |
| 16 | HOSE-ENGINE OUT CEN COOL IN | 1 | |
| 17 | TUBINGCONVOLUTED(1"X6") | 1 | |
| 18 | CLAMPHOSE S.S. | 1 | |
| 19 | HOSE-BOTTLE TO PUMP | 1 | |
| 20 | WASHER FLAT(10) (10 per pack) | 1 | |
| 21 | CLAMP-HOSE1.50VINYL COATED [800] | 1 |
