| № | Наименование | Примечание | Кол-во |
|---|---|---|---|
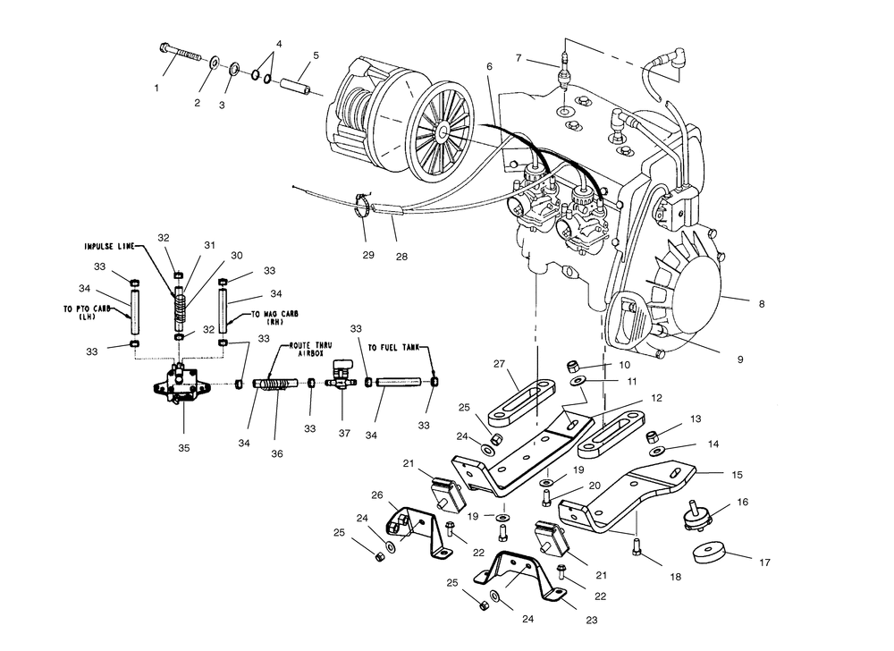
| 1 | SCR7/16-20X8.250HXCP | 1 | |
| 2 | WASHER LOCK | 1 | |
| 3 | WASHERCLUTCH RETAINER | 1 | |
| 4 | O RING(10) (10 per pack) | 2 | |
| 5 | SPACER | 1 | |
| 6 | CABLE CHOKE (TWIN) | 1 | |
| 7 | SPARKPLUG BR9ES (10) (10 per pack) | 2 | |
| 9 | HANDLE-RECOILBLK | 1 | |
| 10 | NUT NYLOK(10) * (10 per pack) | 4 | |
| 11 | WASHERFLAT(10) (10 per pack) | 2 | |
| 12 | STRAP-ENGINE MOUNTLH550 | 1 | |
| 13 | NUT | 1 | |
| 14 | WASHER-3/8-INT LK(1220-00)-Z | 1 | |
| 15 | STRAP-ENGINE MOUNTRH550 | 1 | |
| 16 | MOUNT-ENGINE3/8-16 | 2 | |
| 17 | SPACER-ENGINE MOUNT .44 | 2 | |
| 18 | SCREW | 2 | |
| 19 | WASHERSPRING LOCK | 2 | |
| 20 | BOLT | 2 | |
| 21 | MOUNT-ENGINE3/8-16RECT | 2 | |
| 22 | SCR-3/8-16X1-P30-SPEC-Y | 3 | |
| 23 | BRKT-ENGINE MOUNTRHFORMED | 1 | |
| 24 | WASHERFLAT(10) (10 per pack) | 4 | |
| 25 | NUTFLEXLOCK | 4 | |
| 26 | WELD-ENG MOUNT BRKTLH | 1 | |
| 27 | SPACER-ENGINE.38 | 2 | |
| 28 | CABLE-THROTTLE (If built before 4/01/03) | 1 | |
| 29 | CABLE TIE (10) (10 per pack) | 1 | |
| 30 | TUBINGCONVOLUTED [SVC] | 1 | |
| 31 | LINE FUEL1/4 ID(600 CM.) | 0 | |
| 32 | CLAMPHOSE(10) (10 per pack) | 2 | |
| 33 | CLAMPHOSE(10) (10 per pack) | 8 | |
| 34 | FUEL HOSE-250 CM | 0 | |
| 36 | CONDUITCONVOLUTED(30 CM) | 1 | |
| 37 | VALVE-FUELPLASTICINLINE 1/4" | 1 |
