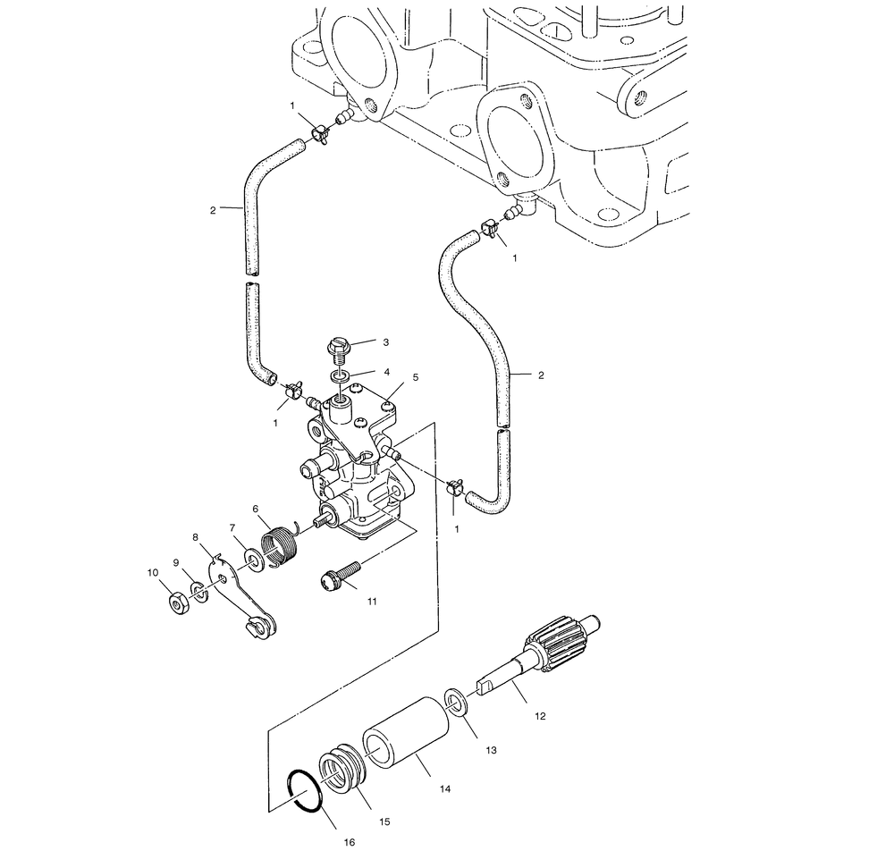
| № | Наименование | Примечание | Кол-во |
|---|---|---|---|
| 1 | CLAMP-HOSE(10) (10 per pack) | 4 | |
| 2 | PIPE 3VINYL | 2 | |
| 3 | SCREW-AIR VENT | 1 | |
| 4 | PACKING(10) (10 per pack) | 1 | |
| 6 | SPRING-RETURN | 1 | |
| 7 | COLLAR CAMSHAFT(10) (10 per pack) | 1 | |
| 9 | WASHER-SPRING(10) (10 per pack) | 1 | |
| 10 | NUT(10) (10 per pack) | 1 | |
| 11 | ASM.SCREW & WASHER (10) (10 per pack) | 2 | |
| 12 | GEAR | 1 | |
| 13 | SPACER | 1 | |
| 14 | BUSHING | 1 | |
| 15 | SPACER 1.15MM | 0 | |
| 15 | SPACER 2.3MM | 0 | |
| 15 | SPACER 3.6MM | 0 | |
| 16 | O RING | 1 |
