| № | Наименование | Примечание | Кол-во |
|---|---|---|---|
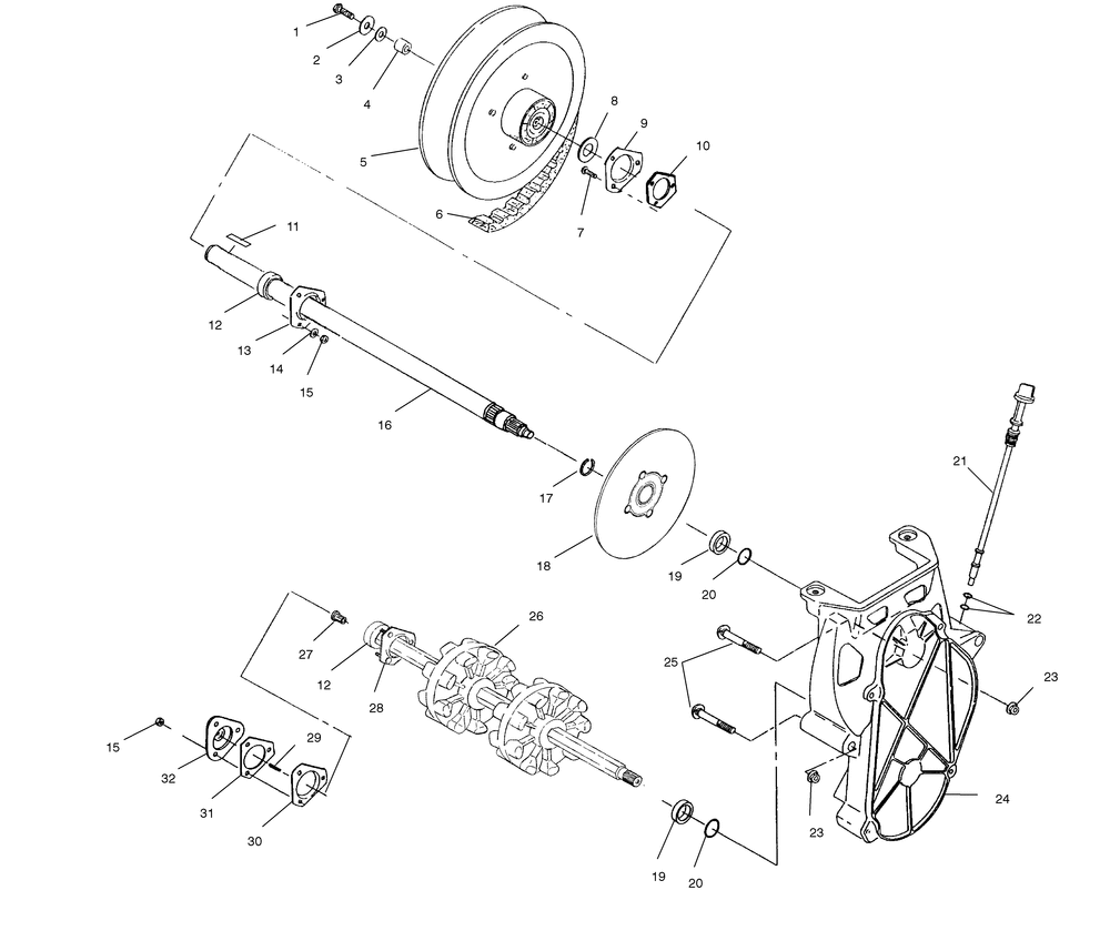
| 1 | BOLT | 1 | |
| 2 | WASHERFLAT | 1 | |
| 3 | WASHERFLAT(10) (10 per pack) | 0 | |
| 4 | SPACER-INPUT SHAFT.984X63 | 1 | |
| 6 | BELTDRIVE28 DEG.(5) (5 per pack) | 1 | |
| 7 | BOLTCARRIAGE | 3 | |
| 8 | BUSHING(10) (10 per pack) | 0 | |
| 9 | FLANGE RDRELUBE W/ZERK | 1 | |
| 10 | GASKETJACKSHAFTBLK | 1 | |
| 11 | KEY | 1 | |
| 12 | BEARING | 2 | |
| 13 | FLANGETTE | 1 | |
| 14 | WASHERFLAT(10) (10 per pack) | 3 | |
| 15 | NUTNYLOK(10) (10 per pack) | 6 | |
| 17 | RING RETAINING | 1 | |
| 18 | KIT-BRAKE DISCFORGED | 1 | |
| 19 | SLEEVE SEAL | 2 | |
| 20 | O RING(10) (10 per pack) | 2 | |
| 21 | ASM-DIPSTICK | 1 | |
| 22 | O-RING | 2 | |
| 23 | NUTFLANGE | 3 | |
| 25 | BOLTCARRIAGE | 3 | |
| 27 | BUSHING METAL SPEEDO | 1 | |
| 28 | ASM.-FLANGETTE W/SCREWS | 1 | |
| 29 | KEYSPEEDOMETERSQUARE(10) (10 per pack) | 1 | |
| 30 | FLANGETTE-OFFSETW/HOLE | 1 | |
| 31 | GASKETDRIVE ADAPTOR | 1 | |
| 32 | DRIVE-ADAPTOR W/ZERK | 1 |
