| № | Наименование | Примечание | Кол-во |
|---|---|---|---|
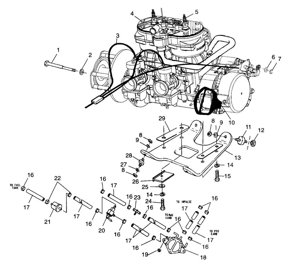
| 1 | SCREWSPEC.CLUTCH (S/N's through 046028) | 1 | |
| 2 | WASHER | 1 | |
| 3 | CABLETHROTTLETWIN | 1 | |
| 5 | SPARKPLUG RN2C (4) (4 per pack) | 2 | |
| 6 | WASHER(10) (10 per pack) | 1 | |
| 7 | RING-ERET. | 1 | |
| 8 | NUTFLEXLOCK | 6 | |
| 9 | WASHERFLAT(10) (10 per pack) | 4 | |
| 10 | HANDLE-RECOILBLK | 1 | |
| 11 | MOUNT-ENGINE3/8-163-TAB | 2 | |
| 12 | NUT | 2 | |
| 14 | WASHERSPRING LOCK | 4 | |
| 15 | BOLT | 3 | |
| 16 | CLAMPHOSE(10) (10 per pack) | 12 | |
| 17 | LINE FUEL1/4 ID(600 CM.) | 0 | |
| 18 | PUMP-FUEL 2 OULETMIKUNI | 1 | |
| 19 | NUT-NYLOK(10) (10 per pack) | 2 | |
| 22 | CLAMPHOSE | 2 | |
| 24 | BOLT | 1 | |
| 25 | WASHER(10) * (10 per pack) | 1 | |
| 26 | BRACEENGINE MT. | 1 | |
| 27 | WASHERFLAT(10) (10 per pack) | 2 | |
| 28 | MOUNTENGINE | 2 |
