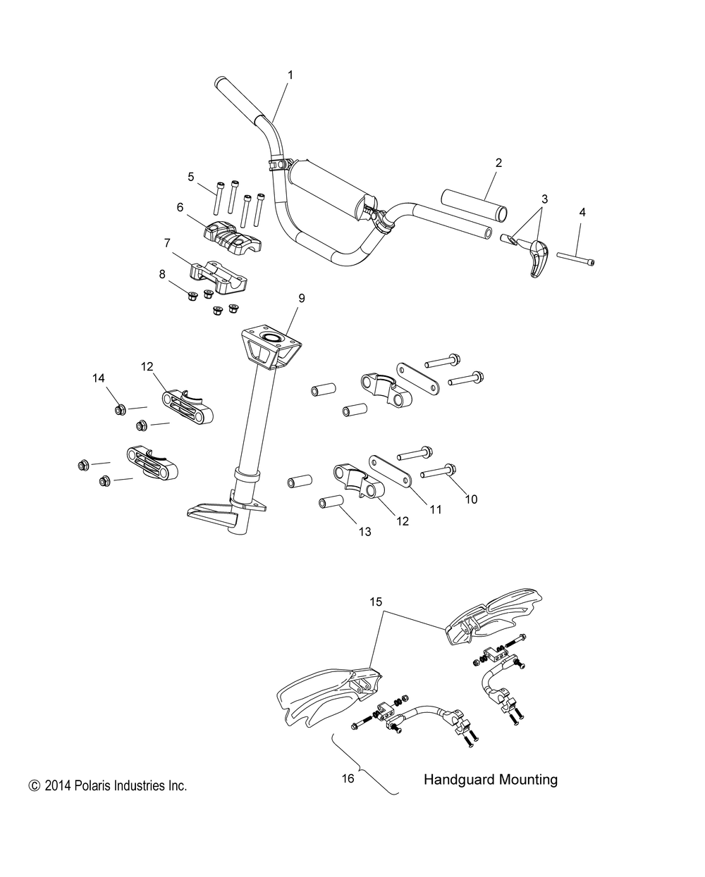
| № | Наименование | Примечание | Кол-во |
|---|---|---|---|
| 1 | ASM/WELD-HANDLEBARP/T | 1 | |
| 2 | GRIP-HBPRO RMK/SB ASSAULT BLK | 2 | |
| 3 | ASM-HANDLE BAR HOOK P/TBLK | 2 | |
| 4 | SCREW | 2 | |
| 5 | SCR-SOCHDM6X450600084 | 4 | |
| 6 | BLOCK-HANDLEBAR MOUNT | 1 | |
| 7 | BLOCK-HANDLEBAR | 1 | |
| 8 | NUT-M6 FLANGENYLOK | 4 | |
| 9 | WELD-STEERING POST UPPERBLK | 1 | |
| 10 | SCR-HXFL-M8X1.25X60 8.8 ZOD | 4 | |
| 11 | STRAP-STRG | 2 | |
| 12 | BUSHING-STRG POST | 4 | |
| 13 | SPACER-BUSHING | 4 | |
| 14 | NUT-M8X1.25FLGNYLOC-OLIVE D | 4 | |
| 15 | HANDGUARDBLACK (PAIR) | 1 | |
| 16 | PRO-TAPER HANDGUARD MOUNTS | 1 |
