| № | Наименование | Примечание | Кол-во |
|---|---|---|---|
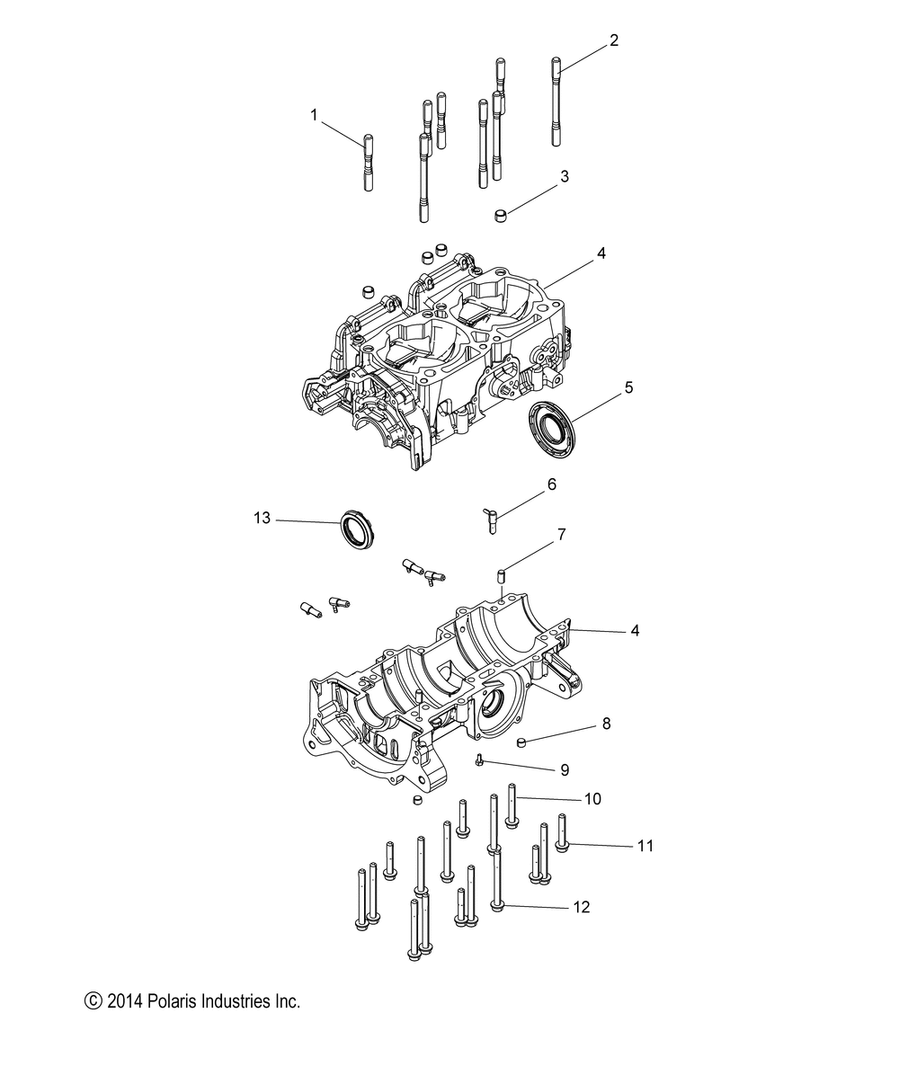
| 1 | STUD-CYL 81MM | 4 | |
| 2 | STUD-CYL 130MM | 4 | |
| 3 | DOWLHOLM13X10 | 4 | |
| 4 | KIT-CRANKCASE 1204722 [INCL. 126-12] | 1 | |
| 5 | SEAL-FLANGED35X72X7STNDOFFPG | 1 | |
| 6 | VALVECHECK90 DEG. | 5 | |
| 7 | PLUG-1/8 NPTHX/SOC W/SEALANT | 2 | |
| 8 | PIN DOWEL | 2 | |
| 9 | SCREW | 1 | |
| 10 | BOLTM8X1.25X55 | 2 | |
| 11 | BOLTM8X1.25X45 | 4 | |
| 12 | BOLTM8X1.25X80 | 10 | |
| 13 | SEAL-FLANGED 35X48X7MAG HT | 1 |
