| № | Наименование | Примечание | Кол-во |
|---|---|---|---|
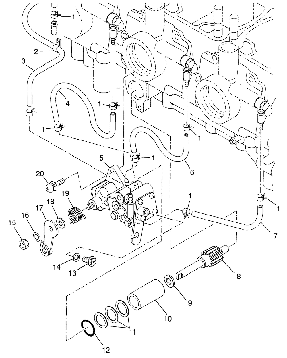
| 1 | CLAMP-HOSE(10) (10 per pack) | 8 | |
| 2 | ASM.CLAMP | 1 | |
| 3 | PIPERUBBER(8MMX1MM)ACCS | 2 | |
| 4 | PIPE 3VINYL | 1 | |
| 5 | SUBSTITUTED BY 9999999 (Incl. 12-19) | 1 | |
| 6 | PIPEVINYL [INCL. 15] | 1 | |
| 8 | GEAR | 1 | |
| 9 | SPACER | 1 | |
| 10 | BUSHING | 1 | |
| 11 | SPACER 1.15MM | 0 | |
| 11 | SPACER 2.3MM | 0 | |
| 11 | SPACER 3.6MM | 0 | |
| 12 | O RING | 1 | |
| 13 | SCREW-AIR VENT | 1 | |
| 14 | PACKING(10) (10 per pack) | 1 | |
| 15 | NUT(10) (10 per pack) | 1 | |
| 16 | WASHER-SPRING(10) (10 per pack) | 1 | |
| 17 | LEVER CONTROL | 1 | |
| 18 | COLLAR CAMSHAFT(10) (10 per pack) | 1 | |
| 19 | SPRING-RETURN | 1 | |
| 20 | ASM.SCREW & WASHER (10) (10 per pack) | 2 |
