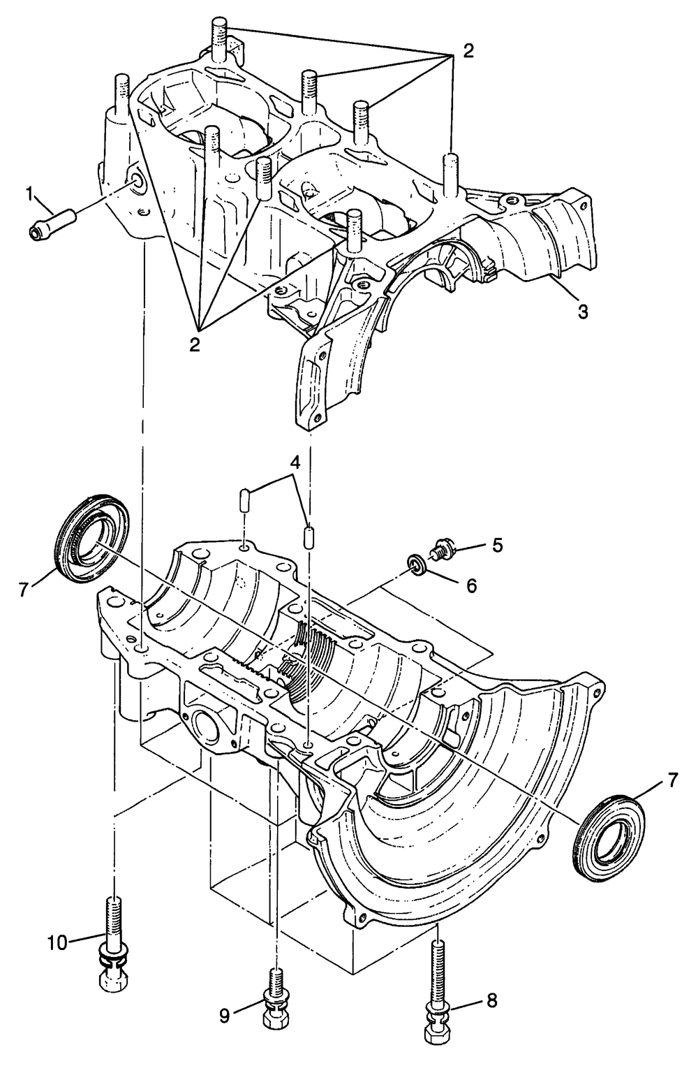
| № | Наименование | Примечание | Кол-во |
|---|---|---|---|
| 1 | PIPE PULSE | 1 | |
| 2 | STUD | 8 | |
| 4 | PINDOWEL | 2 | |
| 5 | BOLTFLANGE | 2 | |
| 6 | WASHERFLAT(10) * (10 per pack) | 2 | |
| 7 | SEAL OIL | 2 | |
| 8 | ASM. BOLT AND WASHER | 6 | |
| 9 | ASM.BOLT AND WASHER | 4 | |
| 10 | BOLT&WASHER ASM. | 2 |
| Корзина пуста |
| № | Наименование | Примечание | Кол-во |
|---|---|---|---|
| 1 | PIPE PULSE | 1 | |
| 2 | STUD | 8 | |
| 4 | PINDOWEL | 2 | |
| 5 | BOLTFLANGE | 2 | |
| 6 | WASHERFLAT(10) * (10 per pack) | 2 | |
| 7 | SEAL OIL | 2 | |
| 8 | ASM. BOLT AND WASHER | 6 | |
| 9 | ASM.BOLT AND WASHER | 4 | |
| 10 | BOLT&WASHER ASM. | 2 |