| № | Наименование | Примечание | Кол-во |
|---|---|---|---|
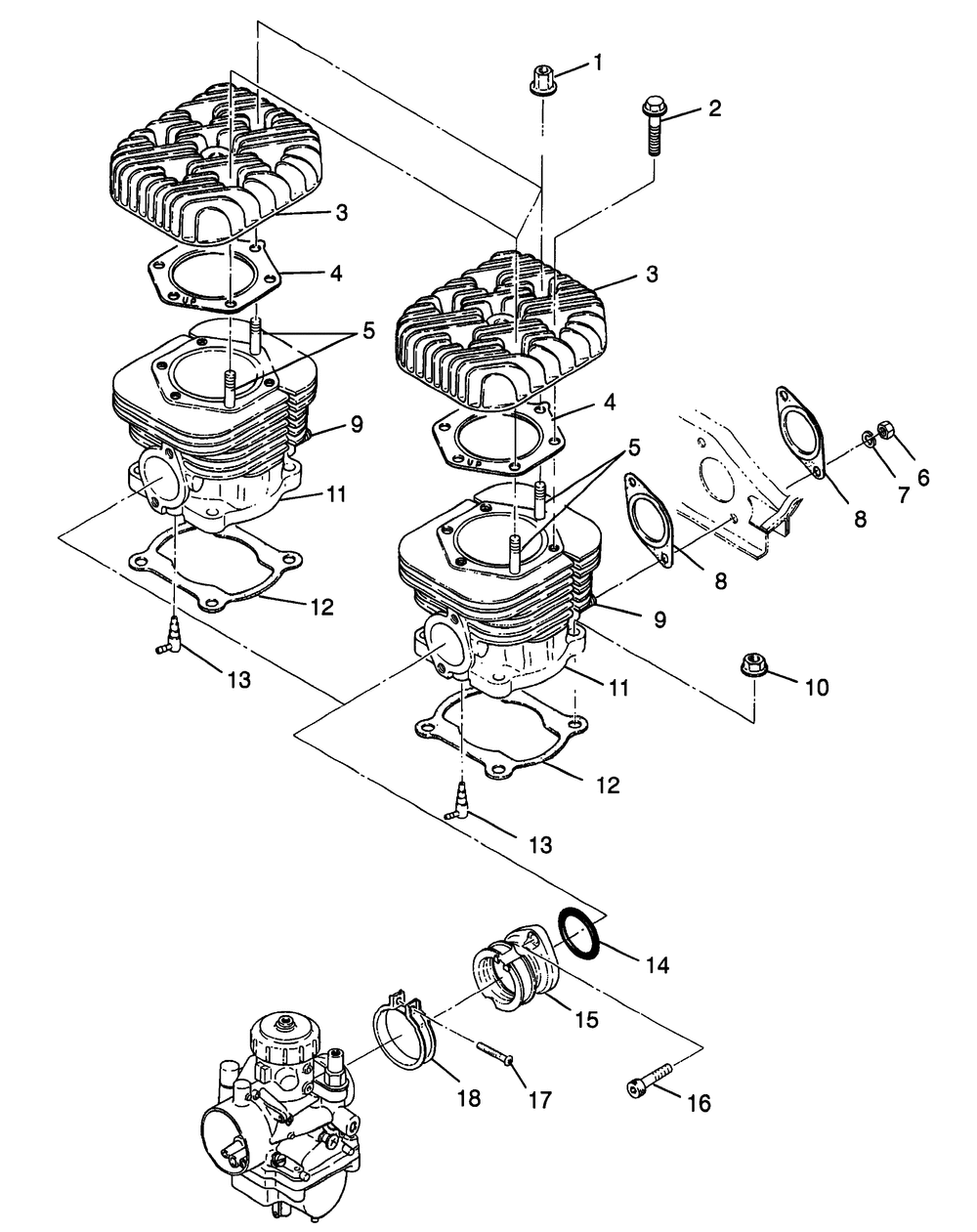
| 1 | NUT-FLANGE(10) (10 per pack) | 4 | |
| 2 | BOLT FLANGE | 8 | |
| 5 | STUD | 4 | |
| 6 | NUT | 4 | |
| 7 | WASHER SPRING LOCK | 4 | |
| 9 | STUD | 4 | |
| 10 | NUT-FLANGE(10). (10 per pack) | 8 | |
| 11 | CYLINDER (Incl. 510) | 2 | |
| 13 | ASM.VALVECHECK | 2 | |
| 14 | O-RING | 2 | |
| 15 | ADAPTERCARB. [Incl. 15] | 2 | |
| 16 | BOLT SOCKET HEAD | 4 | |
| 17 | SCREWPAN HEAD (10) (10 per pack) | 2 | |
| 18 | ASM-BAND ADAPTER [INCL. 9] | 2 |
