| № | Наименование | Примечание | Кол-во |
|---|---|---|---|
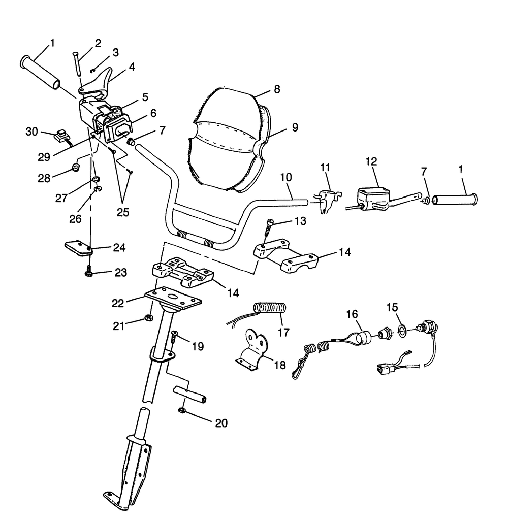
| 1 | GRIPHANDLEBAR | 2 | |
| 2 | PIN-RETAINING | 1 | |
| 3 | RINGRETAINING | 1 | |
| 4 | LEVER ASMHTR.STD 34MM | 1 | |
| 4 | LEVER-THROTTLE | 1 | |
| 5 | BLOCKTHROTTLE/BRAKE | 1 | |
| 6 | BLOCK-ADAPTER | 1 | |
| 7 | CAPLUG | 2 | |
| 8 | COVER ASMH'BAR | 1 | |
| 9 | FOAMH'BARBUCKHORN | 1 | |
| 10 | HANDLEBAR BLK. | 1 | |
| 11 | SWITCH DIMMER | 1 | |
| 14 | BLOCKHANDLEBARBLK | 2 | |
| 15 | WASHER | 1 | |
| 16 | TETHER SWITCH KIT COILED FITS (Euro) | 1 | |
| 17 | HEATER GRIP ASM. | 2 | |
| 19 | SCREW | 2 | |
| 20 | NUTFLEXLOC | 2 | |
| 21 | NUT-NYLOK(10) (10 per pack) | 4 | |
| 23 | SCREW | 2 | |
| 24 | HOLDER-WIRE | 1 | |
| 25 | SCREW | 6 | |
| 26 | RINGRETAINING (10) (10 per pack) | 1 | |
| 27 | WASHER | 2 | |
| 28 | SCREWSET | 1 | |
| 29 | WASHER (10) (10 per pack) | 1 | |
| 30 | SW-AUX SHUT-OFF CLOSEDHON | 1 |
