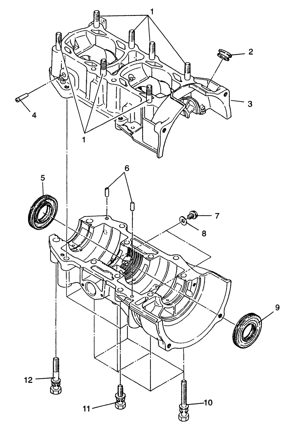
CRANKCASE CLASSIC 0973865 (4938463846C005)

Корзина пуста