| № | Наименование | Примечание | Кол-во |
|---|---|---|---|
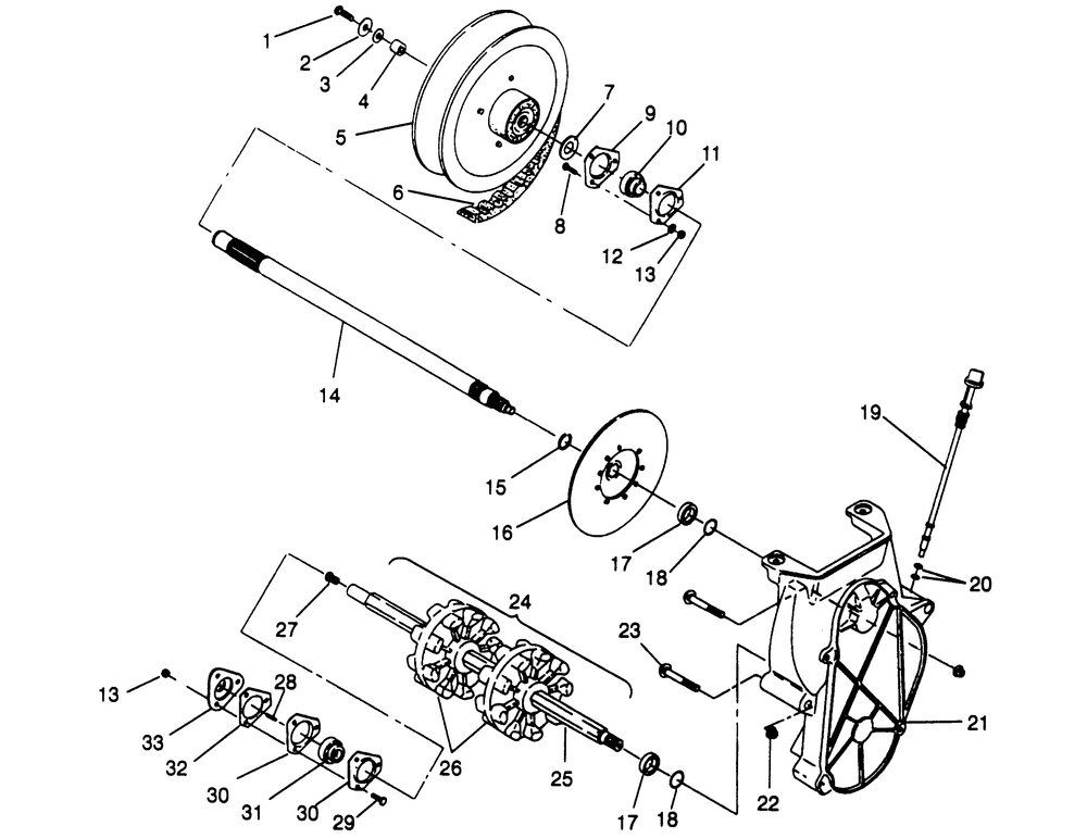
| 1 | BOLT | 1 | |
| 2 | WASHERFLAT | 1 | |
| 3 | WASHERFLAT(10) (10 per pack) | 0 | |
| 4 | SPACER-INPUT SHAFT.875 OD AL | 1 | |
| 6 | BELT DRIVE | 1 | |
| 7 | BUSHING(10) (10 per pack) | 0 | |
| 8 | BOLTCARRIAGE | 2 | |
| 9 | FLANGETTE(GREASABLE) | 1 | |
| 10 | BEARINGJACKSHAFT | 1 | |
| 11 | FLANGETTE (2-BOLT) | 1 | |
| 12 | WASHERFLAT(10) (10 per pack) | 2 | |
| 13 | NUTNYLOK(10) (10 per pack) | 5 | |
| 15 | RING RETAINING | 1 | |
| 16 | DISC ASM BRAKE | 1 | |
| 17 | SLEEVE SEAL | 2 | |
| 18 | O RING(10) (10 per pack) | 2 | |
| 19 | ASM-DIPSTICK | 1 | |
| 20 | O-RING | 2 | |
| 22 | NUTFLANGE | 3 | |
| 23 | BOLTCARRIAGE | 3 | |
| 27 | BUSHING METAL SPEEDO | 1 | |
| 28 | KEYSPEEDOMETERSQUARE(10) (10 per pack) | 1 | |
| 29 | BOLTCARRIAGE | 3 | |
| 30 | FLANGETTE | 2 | |
| 31 | BEARINGJACKSHAFT | 1 | |
| 32 | GASKETDRIVE ADAPTOR | 1 | |
| 33 | DRIVE-ADAPTOR W/ZERK | 1 |
