| № | Наименование | Примечание | Кол-во |
|---|---|---|---|
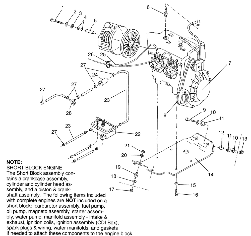
| 2 | WASHER LOCK | 1 | |
| 3 | WASHERCLUTCH RETAINER | 1 | |
| 4 | O RING(10) (10 per pack) | 2 | |
| 6 | PLUGSPARKNGK BR8ES(10) (10 per pack) | 3 | |
| 9 | SCREW | 2 | |
| 10 | WASHER(10) * (10 per pack) | 4 | |
| 12 | TUBESPACER | 2 | |
| 13 | NUTFLANGE | 2 | |
| 15 | WASHERSPRING LOCK | 4 | |
| 16 | BOLT | 4 | |
| 17 | NUTFLEXLOC(10) (10 per pack) | 2 | |
| 18 | WASHERFLAT(10) (10 per pack) | 2 | |
| 20 | WASHERFLAT(10) (10 per pack) | 2 | |
| 21 | NUTNYLOK(10) (10 per pack) | 2 | |
| 23 | LINE FUEL1/4 ID(600 CM.) | 0 | |
| 24 | FILTER FUEL(10) (10 per pack) | 1 | |
| 25 | SUBSTITUTED BY 9999999 | 1 | |
| 26 | CABLE TIE (10) (10 per pack) | 1 | |
| 27 | CLAMPHOSE(10) (10 per pack) | 14 | |
| 28 | VALVEFUEL SHUT-OFF | 1 |
