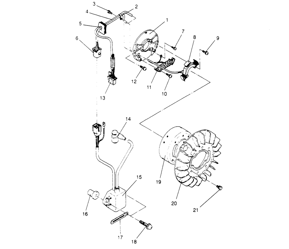
MAGNETO ASSEMBLY STARLITE 0953427 (4928902890D006)

Корзина пуста