| № | Наименование | Примечание | Кол-во |
|---|---|---|---|
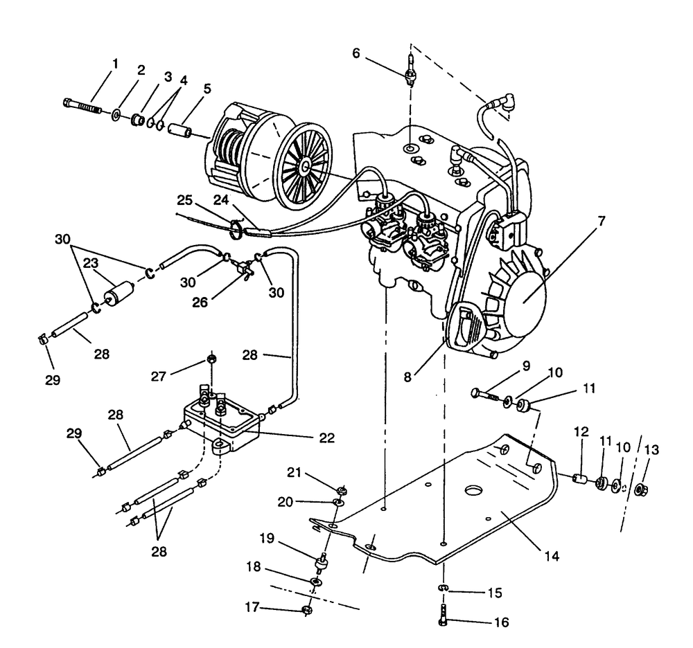
| 1 | BOLT | 1 | |
| 2 | WASHER LOCK | 1 | |
| 3 | WASHERCLUTCH RETAINER | 1 | |
| 4 | O RING(10) (10 per pack) | 1 | |
| 5 | SPACER | 1 | |
| 6 | PLUGSPARKNGK BR8ES(10) (10 per pack) | 2 | |
| 9 | SCREW | 2 | |
| 10 | WASHER(10) * (10 per pack) | 4 | |
| 12 | SPACER (MTR.MT.) | 2 | |
| 13 | NUTFLANGE | 2 | |
| 14 | PLATEENG.MT. | 1 | |
| 15 | WASHERSPRING LOCK | 4 | |
| 16 | BOLT | 4 | |
| 17 | NUTFLEXLOC(10) (10 per pack) | 2 | |
| 18 | WASHER(10) (10 per pack) | 2 | |
| 20 | WASHERFLAT(10) (10 per pack) | 2 | |
| 21 | NUTNYLOK(10) (10 per pack) | 2 | |
| 23 | FILTER FUEL(10) (10 per pack) | 1 | |
| 24 | SUBSTITUTED BY 9999999 | 1 | |
| 25 | CABLE TIE (10) (10 per pack) | 1 | |
| 26 | VALVEFUEL SHUT-OFF | 1 | |
| 27 | NUT-NYLOK(10) (10 per pack) | 2 | |
| 29 | CLAMPHOSE(10) (10 per pack) | 10 | |
| 30 | CLAMPHOSE(10) (10 per pack) | 4 |
