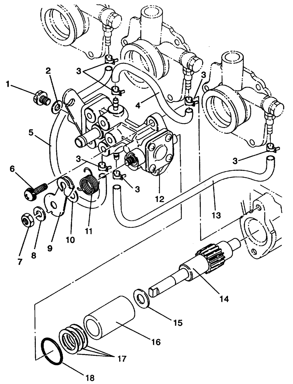
| № | Наименование | Примечание | Кол-во |
|---|---|---|---|
| 1 | SCREW-AIR VENT | 1 | |
| 2 | PACKING(10) (10 per pack) | 1 | |
| 3 | CLAMP-HOSE(10) (10 per pack) | 6 | |
| 4 | PIPE 3VINYL | 1 | |
| 5 | ASM.PIPEVINYL90MM | 1 | |
| 6 | ASM.SCREW & WASHER (10) (10 per pack) | 2 | |
| 7 | NUT(10) (10 per pack) | 1 | |
| 8 | WASHER-SPRING(10) (10 per pack) | 1 | |
| 10 | COLLAR CAMSHAFT(10) (10 per pack) | 1 | |
| 11 | SPRING-RETURN | 1 | |
| 14 | GEAR SMALL | 1 | |
| 15 | SPACER | 1 | |
| 16 | BUSHING | 1 | |
| 17 | SPACER 1.15MM | 0 | |
| 17 | SPACER 2.3MM | 0 | |
| 17 | SPACER 3.6MM | 0 | |
| 18 | O RING | 1 |
