| № | Наименование | Примечание | Кол-во |
|---|---|---|---|
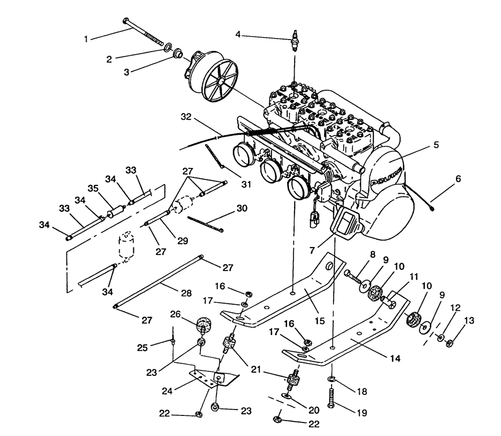
| 1 | BOLT | 1 | |
| 2 | WASHER LOCK | 1 | |
| 3 | WASHERCLUTCH RETAINER | 1 | |
| 4 | SPARKPLUG RN2C (4) (4 per pack) | 3 | |
| 8 | SCREW | 2 | |
| 9 | WASHER(10) * (10 per pack) | 4 | |
| 11 | SPACER (MTR.MT.) | 2 | |
| 12 | WASHER | 2 | |
| 13 | NUTFLEX LOC(10) (10 per pack) | 2 | |
| 14 | PLATEENG.RH | 1 | |
| 16 | NUTNYLOK(10) (10 per pack) | 2 | |
| 17 | WASHERFLAT(10) (10 per pack) | 2 | |
| 18 | WASHERSPRING LOCK | 4 | |
| 19 | BOLT | 4 | |
| 20 | WASHER(10) (10 per pack) | 1 | |
| 22 | NUTFLEXLOC(10) (10 per pack) | 2 | |
| 23 | NUT JAM [ACCESSORY] | 2 | |
| 25 | RIVETINTERLOCKZ(50) * (50 per pack) | 7 | |
| 27 | CLAMPHOSE(SCREW TYPE) | 6 | |
| 28 | FUEL HSE-5/16 DP SAE J30R9 SVC | 0 | |
| 31 | CABLE TIE (10) (10 per pack) | 2 | |
| 34 | CLAMPHOSE(10) (10 per pack) | 4 | |
| 35 | FILTER FUEL(10) (10 per pack) | 1 |
