| № | Наименование | Примечание | Кол-во |
|---|---|---|---|
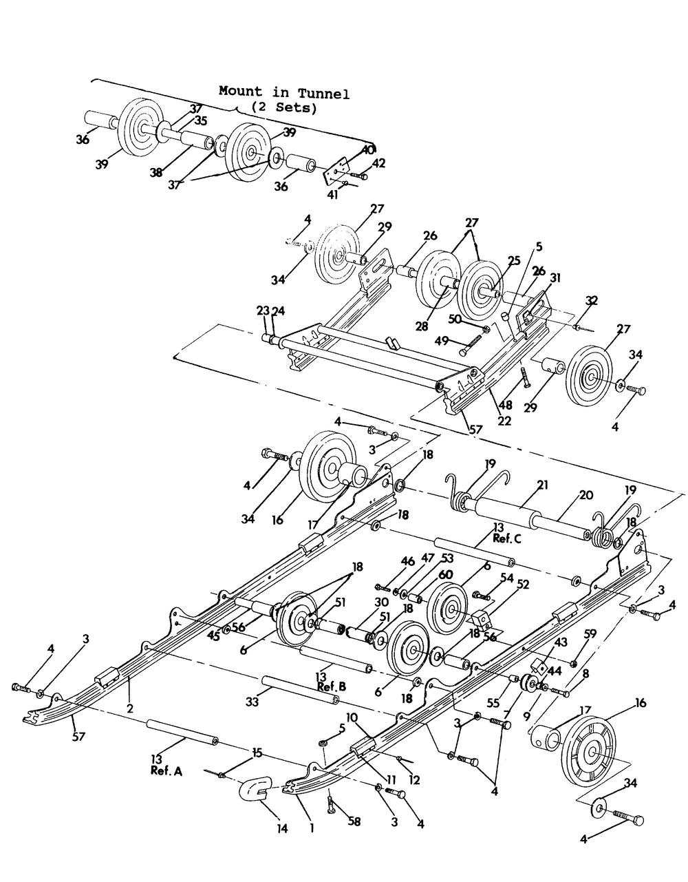
| 3 | WASHERSPRING LOCK(10) (10 per pack) | 10 | |
| 4 | SCREW(10) (10 per pack) | 14 | |
| 5 | NUT-NYLOK(10) (10 per pack) | 6 | |
| 6 | WHEELIDLER 5.35" | 4 | |
| 7 | ROLLER-SPRING* | 2 | |
| 8 | BOLT | 2 | |
| 9 | WASHER | 2 | |
| 10 | BUMPER RAIL | 4 | |
| 11 | REINF. BUMPER | 8 | |
| 12 | RIVET(50) (50 per pack) | 8 | |
| 14 | COVER-RAIL TIP | 2 | |
| 15 | RIVET(10) (10 per pack) | 2 | |
| 17 | TUBESPACERCTROUTSIDE | 2 | |
| 18 | BUSHING(10) (10 per pack) | 10 | |
| 19 | SPRINGR.EXTBLK. | 2 | |
| 20 | SHAFTIDLER | 1 | |
| 21 | TUBECTR.IDLERBLK. | 1 | |
| 22 | ASM-ARTICULATED RAIL (Incl. 18 19) | 1 | |
| 23 | SHAFTPIVOT ARM | 1 | |
| 24 | WASHER | 2 | |
| 27 | WHEEL ASMBLK. | 4 | |
| 31 | BLOCK-IDLER BOLT ADJ. | 2 | |
| 32 | RIVET(50) (50 per pack) | 4 | |
| 33 | SHAFTSPANNER | 1 | |
| 36 | SPACER OUTER | 4 | |
| 37 | WASHER | 8 | |
| 38 | SPACERBLKIN.CARRIER | 2 | |
| 39 | WHEEL CARRIER [INCL. INSERTS] | 4 | |
| 40 | PLATETUNNELCARRIERBLK. | 4 | |
| 41 | RIVETSEMI-TUBE(10) * (10 per pack) | 16 | |
| 42 | BOLTNYLOCBLACK | 4 | |
| 46 | BOLT | 2 | |
| 47 | WASHERSPLIT LOCK | 2 | |
| 48 | SCREW(10) (10 per pack) | 2 | |
| 49 | SCREW | 2 | |
| 50 | NUT | 2 | |
| 51 | RINGRETAINING | 2 | |
| 52 | BRACKETBOGIE WHEEL | 2 | |
| 53 | WASHER | 2 | |
| 54 | BOLT | 2 | |
| 55 | EXTENSIONROLLER SPACER | 2 | |
| 56 | TUBEOUTER SPACER | 2 | |
| 57 | SLIDERWHI.(2) (2 per pack) | 3 |
