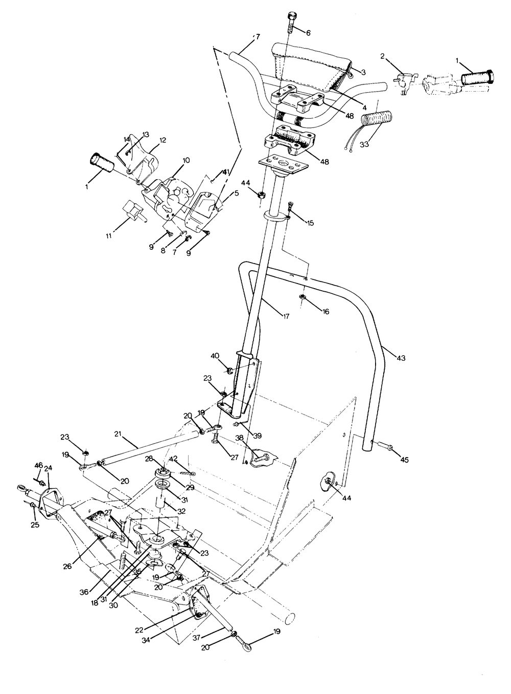
| № | Наименование | Примечание | Кол-во |
|---|---|---|---|
| 1 | GRIPHANDLEBAR | 2 | |
| 2 | SWITCH DIMMER | 1 | |
| 5 | BLOCK-ADAPTER | 1 | |
| 7 | RINGRETAINING (10) (10 per pack) | 1 | |
| 8 | WASHER | 2 | |
| 9 | SCREW | 7 | |
| 10 | BLOCKTHROTTLE/BRAKE (SKS) | 1 | |
| 11 | SW-AUX SHUT-OFF CLOSEDHON | 1 | |
| 12 | LEVER-THROTTLE | 1 | |
| 13 | RINGRETAINING | 1 | |
| 14 | PIN-RETAINING | 1 | |
| 16 | NUT-NYLOK(10) (10 per pack) | 2 | |
| 19 | ROD END LH. | 3 | |
| 19 | ROD END RH. | 3 | |
| 20 | NUTLH (10) (10 per pack) | 3 | |
| 20 | NUTHEXRH(10) (10 per pack) | 3 | |
| 21 | ROD-DRAG LINK | 1 | |
| 23 | NUT LOCK(10) (10 per pack) | 4 | |
| 24 | PLATERHBOOT SEAL | 1 | |
| 25 | RIVET(10) (10 per pack) | 7 | |
| 27 | BOLT | 4 | |
| 28 | NUT | 1 | |
| 29 | WASHER(10) (10 per pack) | 1 | |
| 30 | WASHERWAVE | 1 | |
| 31 | BUSHING | 2 | |
| 34 | BOOT LH | 1 | |
| 35 | BOLT | 1 | |
| 37 | RODTIEBLACK | 2 | |
| 38 | BOLTCARRIAGE | 4 | |
| 39 | FITTINGLUB/VEN | 1 | |
| 40 | NUTNYLOK(10) (10 per pack) | 4 | |
| 41 | SCREWSET | 1 | |
| 42 | PINCOTTER(10) (10 per pack) | 1 | |
| 45 | BOLT-CARRIAGE | 4 | |
| 48 | BLOCKHANDLEBARBLK | 1 |
