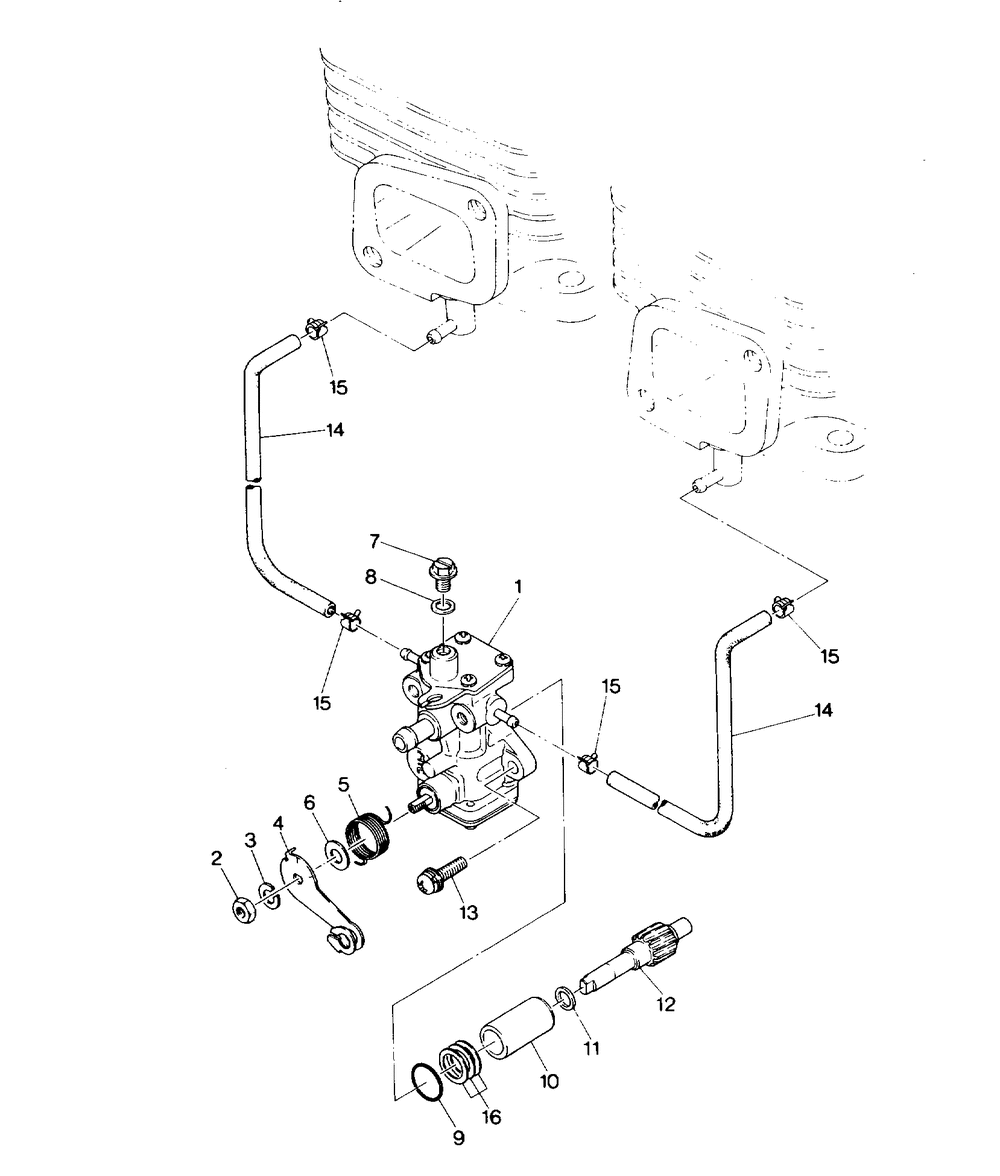
OIL PUMP Sprint ES (4916811681046A)

Корзина пуста