| № | Наименование | Примечание | Кол-во |
|---|---|---|---|
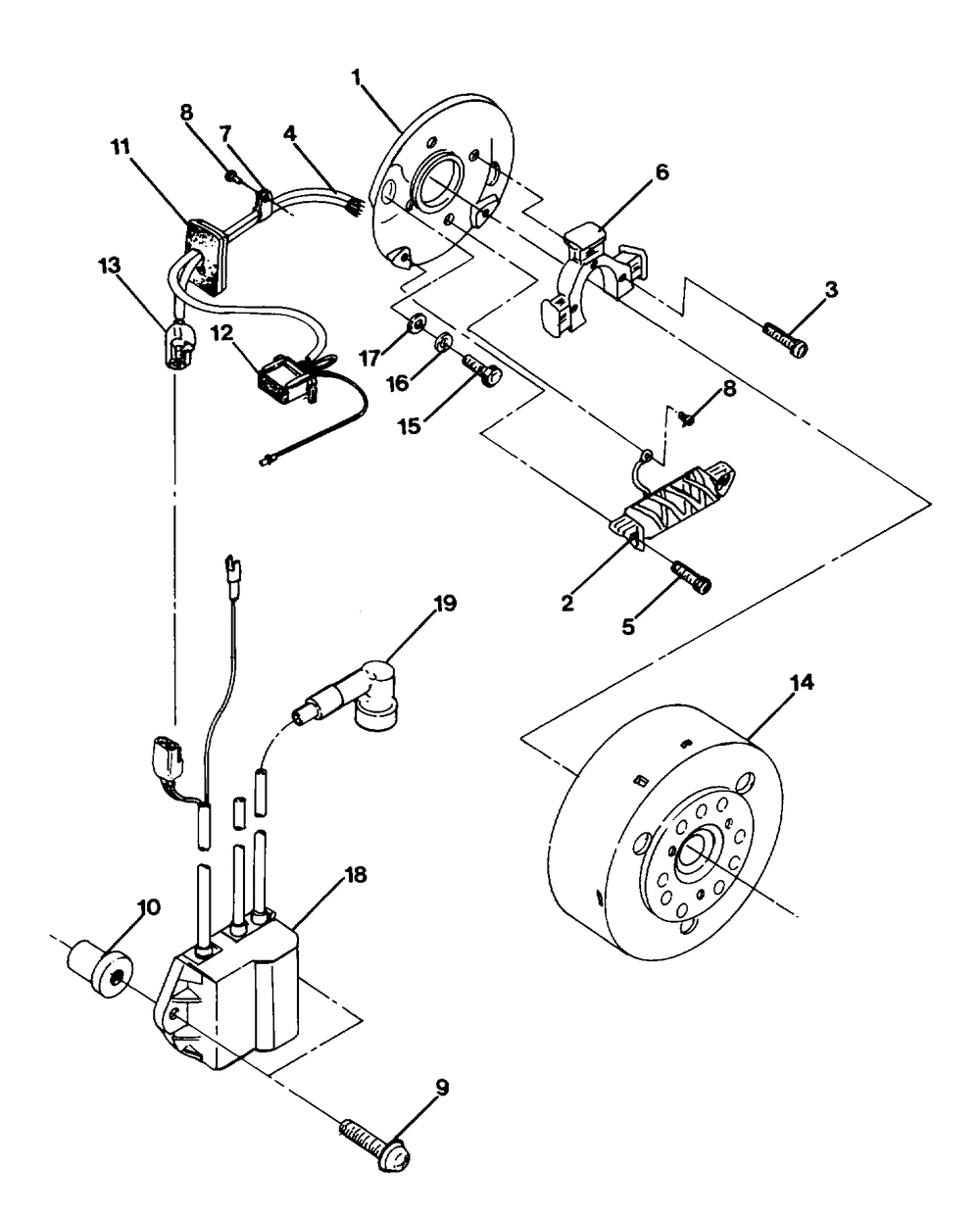
| 2 | COIL EXCITER | 1 | |
| 3 | ASM.SCREW AND WASHER(10) (10 per pack) | 3 | |
| 4 | HARNESS WIRE (Incl. 5) | 1 | |
| 5 | ASM.SCREW & WASHER | 4 | |
| 6 | STATOR 1 | 1 | |
| 7 | CLAMP | 1 | |
| 8 | ASM.SCREW&WASHER(10) (10 per pack) | 2 | |
| 9 | SCREW&WASHER(10) (10 per pack) | 2 | |
| 10 | NUT-RUBBER | 2 | |
| 11 | GROMMET | 1 | |
| 12 | COUPLERMALE | 1 | |
| 13 | COUPLER | 1 | |
| 16 | WASHER SPRING(10) (10 per pack) | 2 | |
| 17 | WASHER | 2 |
