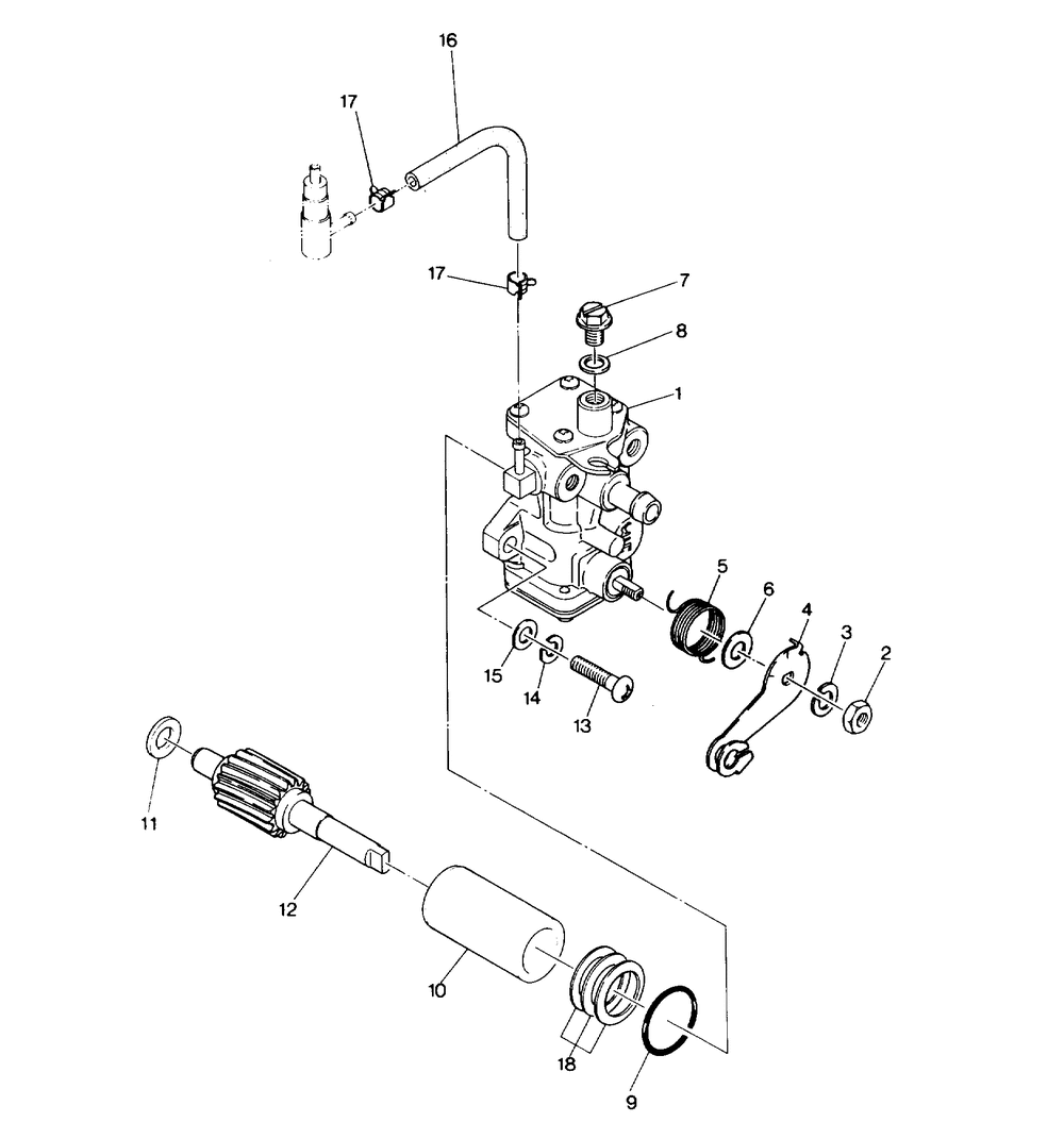
OIL PUMP Star (4915431543033A)

Корзина пуста