| № | Наименование | Примечание | Кол-во |
|---|---|---|---|
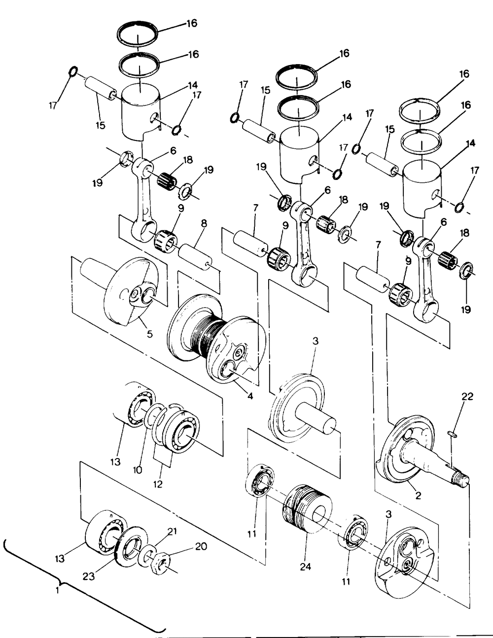
| 1 | CRANKSHAFT ASM. (Incl. 2-13 24) | 1 | |
| 6 | ROD-CONNECTING * | 3 | |
| 9 | BEARINGLARGE END * | 3 | |
| 10 | SPACER | 1 | |
| 11 | BEARING BALL (Deluxe) | 4 | |
| 13 | BEARING BALL | 2 | |
| 14 | SETPISTONSTANDARD (Incl. 2-13 24) | 3 | |
| 15 | PIN PISTON | 3 | |
| 16 | RING PISTON (2) (Standard) (2 per pack) | 6 | |
| 16 | RING.010 O/S (2) (0.25mm/.010IO/S) (2 per pack) | 6 | |
| 17 | CLIPPISTON PIN(10) (10 per pack) | 6 | |
| 18 | BEARING SMALL END | 3 | |
| 22 | KEY | 1 | |
| 23 | SEAL OIL | 1 |
