| № | Наименование | Примечание | Кол-во |
|---|---|---|---|
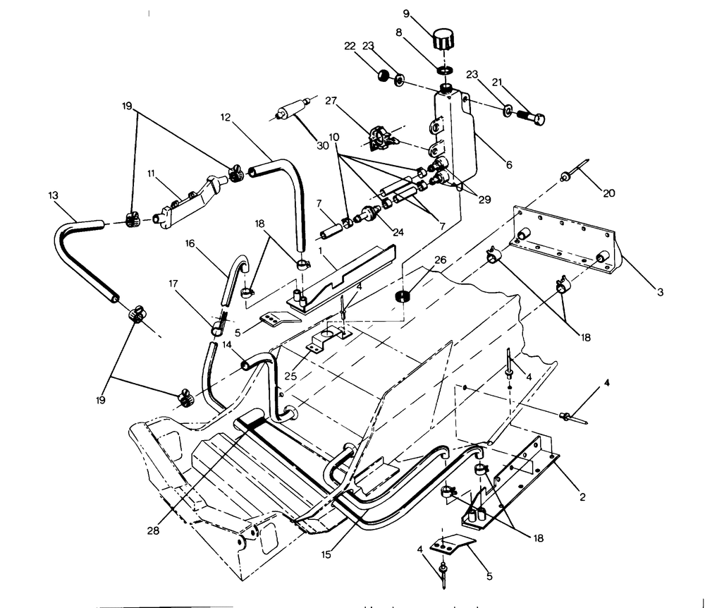
| 3 | EXTCTR.COOLING | 1 | |
| 4 | RIVETINTERLOCKZ(50) * (50 per pack) | 34 | |
| 5 | GUARDCOOLING EXT | 2 | |
| 6 | BOTTLE-OVERFLOWW/FITTINGS | 1 | |
| 7 | LINEFUEL1/4 ID(1525 CM.) | 0 | |
| 8 | GASKET (10) (10 per pack) | 1 | |
| 9 | CAP OVERFLOW | 1 | |
| 11 | COOLER-BRAKE | 1 | |
| 17 | CLIP | 1 | |
| 19 | CLAMPHOSESS | 4 | |
| 21 | BOLT | 1 | |
| 22 | NUT-NYLOK(10) (10 per pack) | 1 | |
| 23 | WASHERWROUGHT | 2 | |
| 24 | VALVE CHECK | 1 | |
| 26 | GROMMET RUBBER | 1 | |
| 27 | CLIPROSEBUD | 1 | |
| 29 | FITTING OUTLET | 2 | |
| 30 | FILTERCOOLANTLGE. | 1 |
