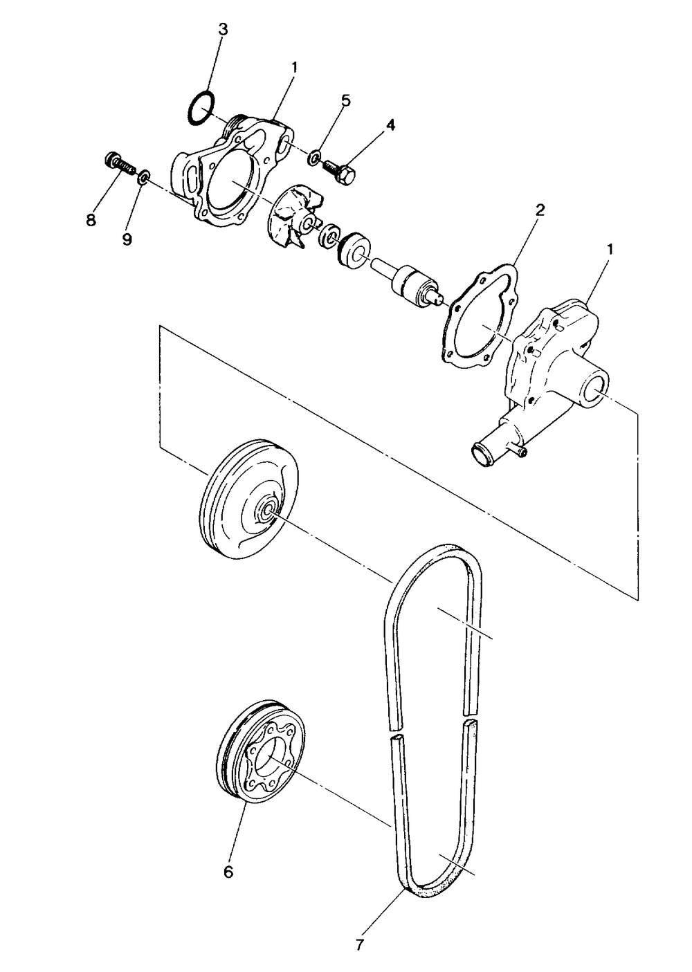
WATER PUMP 400 (4915411541046A)

Корзина пуста