| № | Наименование | Примечание | Кол-во |
|---|---|---|---|
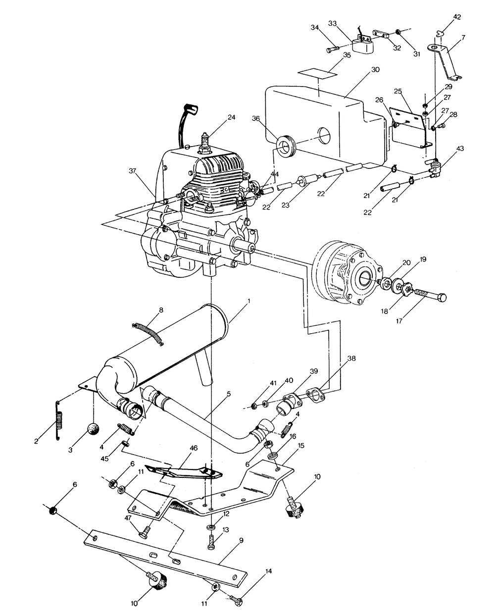
| 2 | SPRING(10) (10 per pack) | 1 | |
| 3 | BALL-EXH.MT. | 1 | |
| 4 | SPRING(10) (10 per pack) | 4 | |
| 6 | NUT LOCK(10) (10 per pack) | 5 | |
| 11 | WASHER FLAT | 2 | |
| 12 | WASHERSPRING LOCK | 4 | |
| 13 | BOLT | 4 | |
| 14 | BOLT(10) (10 per pack) | 2 | |
| 16 | WASHER-LOCK(10) (10 per pack) | 3 | |
| 17 | BOLT | 1 | |
| 18 | WASHER LOCK | 1 | |
| 19 | WASHER(10) * (10 per pack) | 1 | |
| 20 | BUSHING (Trail Only) | 1 | |
| 21 | CLAMPHOSE(10) (10 per pack) | 6 | |
| 22 | LINEFUEL1/4 ID(1525 CM.) | 0 | |
| 23 | FILTER FUEL(10) (10 per pack) | 1 | |
| 24 | SPARKPLUG RN3C(4) (4 per pack) | 1 | |
| 26 | NUT-WELL(10) * (10 per pack) | 3 | |
| 28 | SCREW(10) * (10 per pack) | 3 | |
| 29 | NUT-NYLOK(10) (10 per pack) | 2 | |
| 31 | NUT NYLOK 10-24 Y | 2 | |
| 32 | HEAT SINK | 1 | |
| 34 | SCREW(10) (10 per pack) | 2 | |
| 38 | GASKETEXHAUST | 1 | |
| 40 | WASHERSPRING LOCK(10) (10 per pack) | 2 | |
| 41 | NUT | 2 | |
| 45 | NUTFLEXLOC | 4 |
