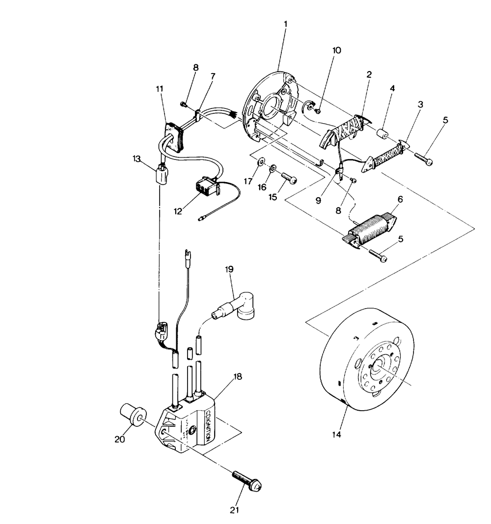
MAGNETO 400 (4915411541040A)

Корзина пуста