| № | Наименование | Примечание | Кол-во |
|---|---|---|---|
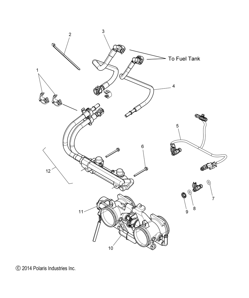
| 1 | CLIP-HARNESS 3-13MM INTERLCK | 2 | |
| 2 | TIE CABLE | 1 | |
| 3 | ASM-FUEL LINE RETURN PFA PROG | 1 | |
| 4 | ASM-FUEL LINE SUPPLY PFA PROG | 1 | |
| 5 | HARNESS-INJ W/LEAD AS | 1 | |
| 6 | SCR-M5X0.8X12SHCS-SS | 2 | |
| 7 | O-RING(2) (2 per pack) | 1 | |
| 8 | O-RING BOSCH E10076 [BROWN][1 PER INJECTOR] | 1 | |
| 9 | BUSHING-RUBBER INJ ELASTOMER [GREEN][1/INJECTOR] | 1 | |
| 10 | ASM-THROTTLE BODY 48MMAS | 1 | |
| 12 | ASM-FUEL RAILAS | 1 |
