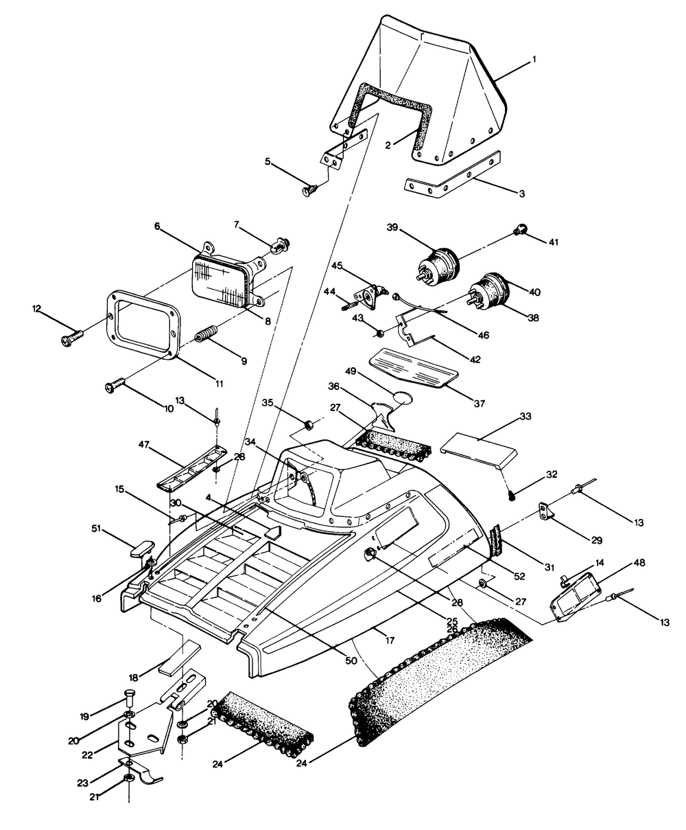
HOOD Sport and Trail (4914161416005A)

Корзина пуста