| № | Наименование | Примечание | Кол-во |
|---|---|---|---|
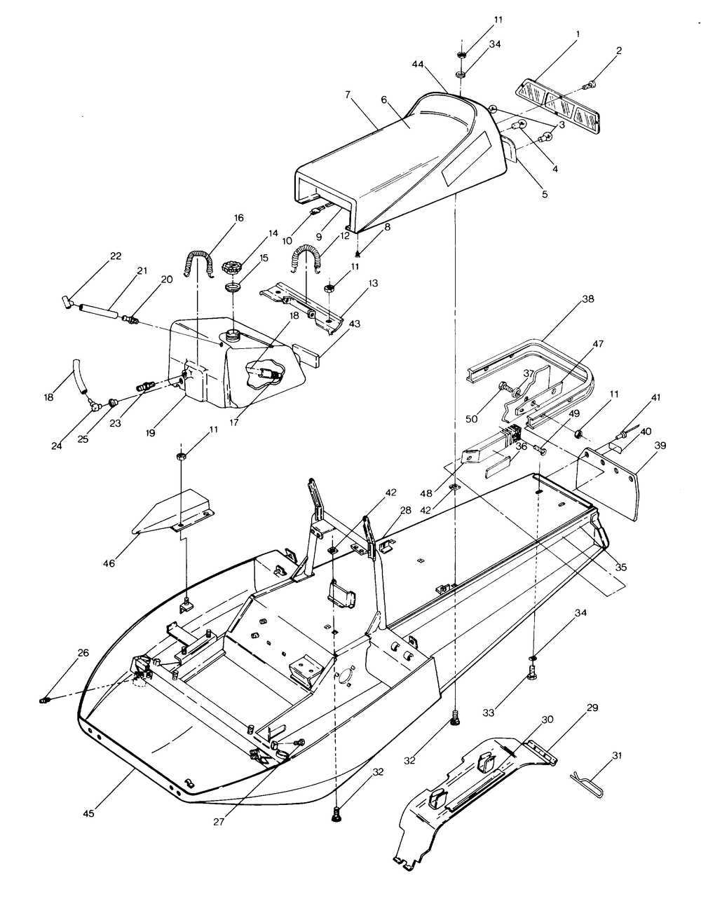
| 2 | SCREW(10) (10 per pack) | 4 | |
| 3 | BULB TAILLIGHT/TACH/SPEEDO (10) (10 per pack) | 2 | |
| 10 | HARNESS TAILLIGHT | 1 | |
| 11 | NUT-NYLOK(10) (10 per pack) | 9 | |
| 12 | SPRINGTANK(10) (10 per pack) | 1 | |
| 13 | BRACKET GASTANK | 1 | |
| 14 | CAP GAS (BLACK)* | 1 | |
| 15 | GASKET-GAS CAP(10) (10 per pack) | 1 | |
| 17 | PICK-UP-FUELW/FILTER105MICRN | 1 | |
| 18 | LINEFUEL1/4 ID(1525 CM.) | 0 | |
| 20 | VENT-TANK | 1 | |
| 23 | FITTING - OUTLET | 1 | |
| 25 | GROMMET | 1 | |
| 26 | FITTINGLUB/VEN | 2 | |
| 31 | PINCLUTCH GUARD | 1 | |
| 32 | BOLTCARRIAGE | 5 | |
| 33 | BOLT | 2 | |
| 34 | WASHERWROUGHT | 4 | |
| 36 | REFLECTOR RED [CGBA ONLY] | 2 | |
| 37 | WASHER FLAT(10) * (10 per pack) | 4 | |
| 39 | FLAP-SNOWMOLDEDBLK W/WHITE | 1 | |
| 41 | RIVET(10) (10 per pack) | 5 | |
| 42 | NUT SPEED | 5 | |
| 48 | CAP BUMPER BLK. | 2 | |
| 49 | SCREW | 4 | |
| 50 | BOLT | 4 |
