| № | Наименование | Примечание | Кол-во |
|---|---|---|---|
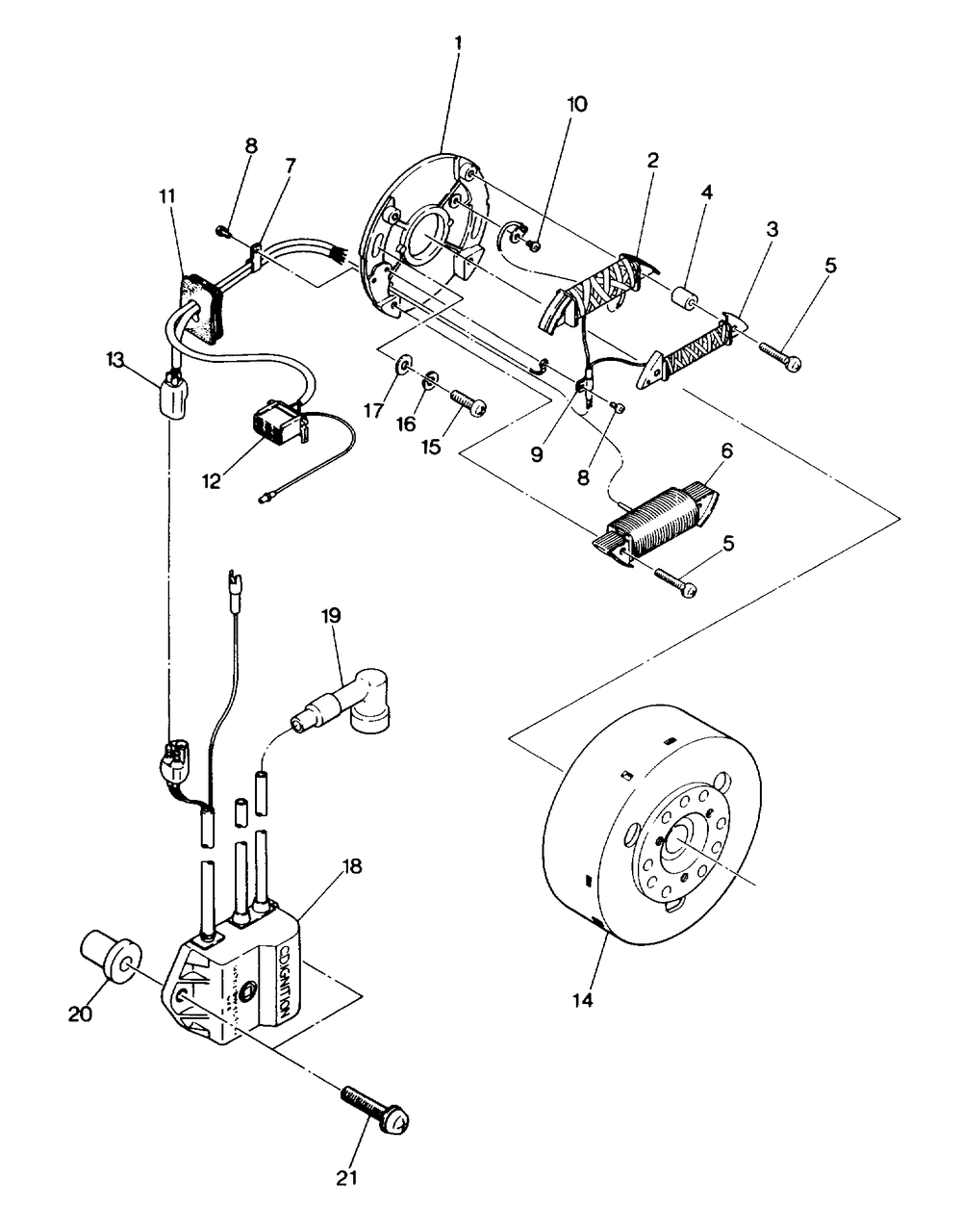
| 7 | CLAMP | 1 | |
| 8 | SCREW&WASHER ASM(10) (10 per pack) | 2 | |
| 10 | ASM.SCREW&WASHER(10) (10 per pack) | 1 | |
| 11 | GROMMET | 1 | |
| 12 | COUPLERMALE | 1 | |
| 13 | COUPLER-3P | 1 | |
| 16 | WASHER SPRING(10) (10 per pack) | 2 | |
| 17 | WASHER | 2 | |
| 20 | NUT-RUBBER | 2 | |
| 21 | SCREW&WASHER(10) (10 per pack) | 2 |
