| № | Наименование | Примечание | Кол-во |
|---|---|---|---|
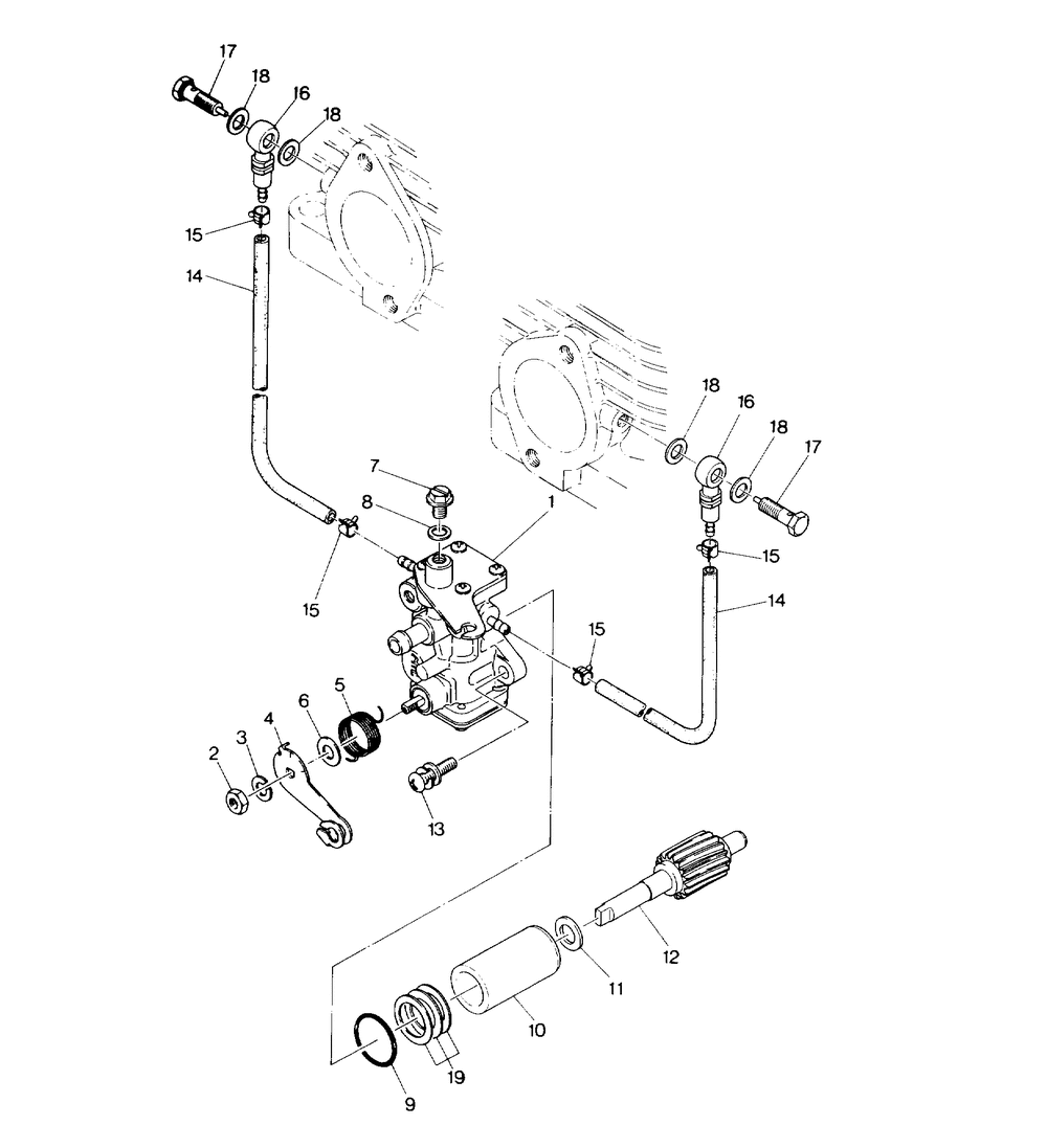
| 2 | NUT(10) (10 per pack) | 1 | |
| 3 | WASHER-SPRING(10) (10 per pack) | 1 | |
| 5 | SPRING-RETURN | 1 | |
| 6 | COLLAR CAMSHAFT(10) (10 per pack) | 1 | |
| 7 | SCREW-AIR VENT | 1 | |
| 8 | PACKING(10) (10 per pack) | 1 | |
| 9 | O RING | 1 | |
| 10 | BUSHING | 1 | |
| 11 | SPACER | 1 | |
| 12 | GEAR | 1 | |
| 13 | ASM.SCREW & WASHER (10) (10 per pack) | 2 | |
| 15 | CLAMP-HOSE(10) (10 per pack) | 4 | |
| 16 | VALVE CHECK | 2 | |
| 17 | BOLT-BANJO (10) (10 per pack) | 2 | |
| 18 | WASHERFLAT(10) * (10 per pack) | 4 | |
| 19 | SPACER 1.15MM | 0 | |
| 19 | SPACER 2.3MM | 0 | |
| 19 | SPACER 3.6MM | 0 |
