Оригинальные каталоги
Масла и жидкости
Масла моторные
Масла трансмиссионные
Жидкости гидравлические
Жидкости охлаждающие
Жидкости тормозные
Масла гидравлические
Масла для вилок и амортизаторов
Масла компрессорные
Жидкости для стекол
Масла для цепей бензопил
Масла индустриальные
Масла промывочные
Раствор мочевины AdBlue
Автоэлектроника
Видеорегистраторы
Пылесосы автомобильные
FM трансмиттеры
Зарядные устройства
Разветвители, удлинители прикуривателя
Кабели
Вентиляторы автомобильные
Штекер прикуривателя
Датчик парктроника
Камеры заднего вида
Мониторы парковочные
Парктроники
Термометры
Накидки на сиденье с подогревом
Автохолодильники
Антирадары
Диагностический сканер
Аксессуары
Набор автомобилиста
Ароматизаторы
Тросы буксировочные
Канистры
Ремни крепления груза
Стяжки-резинки крепления
Сетки для крепления груза
Скотч
Влажные салфетки
Держатели телефонов, планшетов
Карты памяти
Наушники
Аккумулятор холода
Термосумки и контейнеры
Фонарики
Батарейки
Оплетки на руль
Огнетушители
Салфетки, полотенца, варежки
Инструмент
Домкраты
Компрессоры
Манометры
Насосы
Светильники переносные
Шарнирно-губцевый инструмент
Ударный инструмент
Метчики. Плашки
Заклёпочники
Заклёпки
Измерительный инструмент
Свёрла
Отвёртки
Изолента
Надфили. Напильники
Ножи, ножовки
Щётки
Абразивная бумага
Специнструмент
Ключи
Хомуты
Дрель-шуруповерт
Автохимия
Присадки
Промывки
Очистители
Смазки спрей
Смазки пластичные
Герметики
Средство для рук
Клей
Лакокрасочные материалы
Автошампуни
Полироли
Антифриз для тормозной системы
Масло для пропитки фильтров
Антикоррозионные составы
Прочее
Электрооборудование
Зарядные устройства
Инверторы
Конвертеры
Звуковые сигналы
Провода прикуривания
Предохранители
Противотуманные фары
Дневные ходовые огни
Электрика фаркопа
Шины и диски
Автошины
Грузовые шины
Мотошины
Камеры
Мотокамеры
Лента обода шины
Колпаки
Диски
Одежда и экипировка
Жилеты
Запчасти
Аккумуляторы
Лампы
Щетки стеклоочистителя
Гофры глушителя
Велотовары
Велосипеды
Самокаты
Велокамеры
Искать по VIN или номеру детали
Поиск по штрих-коду
Искать по VIN-номеру
Войти
Авторизация
Логин
Пароль
Напомнить пароль
Запомнить
Войти
Зарегистрироваться
Авторизоваться другим способом
Востановить пароль
Введите ваш email:
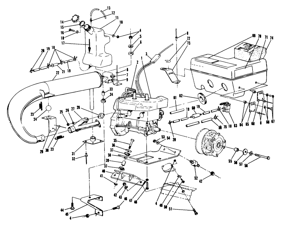
Engine Mounting (Trail) (4910941094019A)
Корзина пуста
Polaris
N860757 NOR 600
N860757 NOR 600
Engine Mounting (Trail) (4910941094019A)
№
Наименование
Примечание
Кол-во
3
CABLE THROTTLE
1
4
NUT-NYLOK(10) (10 per pack)
6
5
WASHER(10) (10 per pack)
1
6
WASHERRUBBER (10) (10 per pack)
1
7
GROMMET RUBBER
1
8
POP RIVET(10) (10 per pack)
6
10
WASHERWROUGHT
2
12
VENT-TANK
1
13
SUBSTITUTED BY 9990000
0
15
GASKET-OIL CAP
1
18
CLAMPHOSE(10) (10 per pack)
3
19
LINEFUEL1/4 ID(1525 CM.)
0
21
FILTERSMALLIN-LINE(10) (10 per pack)
1
23
SPRING(10) (10 per pack)
3
24
BALL-EXH.MT.
1
25
NUT
4
26
WASHER SPRING LOCK
4
30
RIVET(50) (50 per pack)
3
32
RIVET(50) (50 per pack)
4
33
BUSHING
1
34
DAMPENER-VIBRATION
1
36
WASHER(10) * (10 per pack)
2
43
WASHERWROUGHT
2
44
BOLT-CARRIAGE
1
46
BOLTCARRIAGE
2
47
WASHERSPRING LOCK
4
48
BOLT
4
49
NUT SPEED
2
50
BOLT-CARRIAGE [700 IQ][600/700 IQ Dragon]
2
53
NUT LOCK(10) (10 per pack)
2
54
WASHERFLAT(10) (10 per pack)
2
55
BUSHING (Trail Only)
1
56
WASHER(10) * (10 per pack)
1
57
WASHER LOCK
1
58
BOLT
1
60
FILTER FUEL(10) (10 per pack)
1
61
FUEL LINE3/16 ID(600 CM.)
0
62
BOOT
2
64
NUT-WELL(10) * (10 per pack)
3
66
WASHER(10) (10 per pack)
3
67
SCREW(10) * (10 per pack)
3
75
CLAMPHOSE(10) (10 per pack)
2