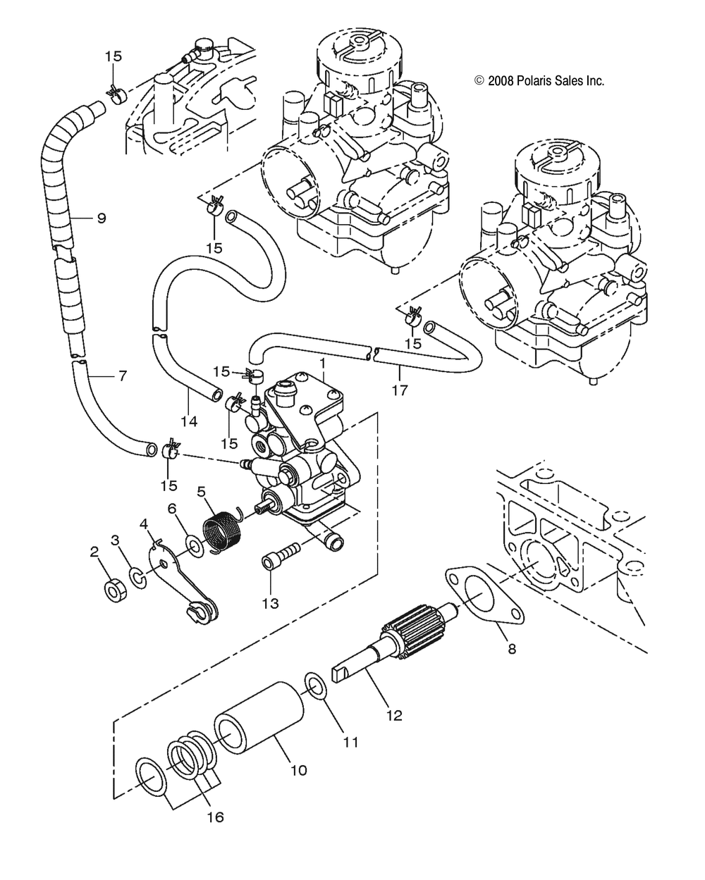
ENGINE OIL PUMP - S18CFE5BSL / BEL (49SNOWOILPUMP09TRAIL)

Корзина пуста