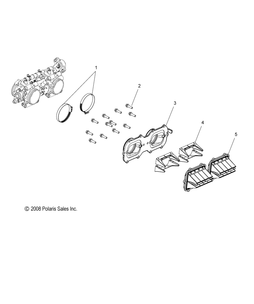
ENGINE REED VALVE and THROTTLE BODY ADAPTOR - S14CS6GSL / GEL 49SNOWCARBURETOR09600TRG]

Корзина пуста
Наименование Примечание Кол-во
1 CLAMPNARROW BAND(1.77/2.75) 2
2 SCR-M6X1.0X228MM HEX/FL-Y/D 12
3 ADAPTER-THROTTLE BODY600/800LE 1
4 STUFFER-REED 600/700SDI 4
5 ASM-REED VALVE 2