| № | Наименование | Примечание | Кол-во |
|---|---|---|---|
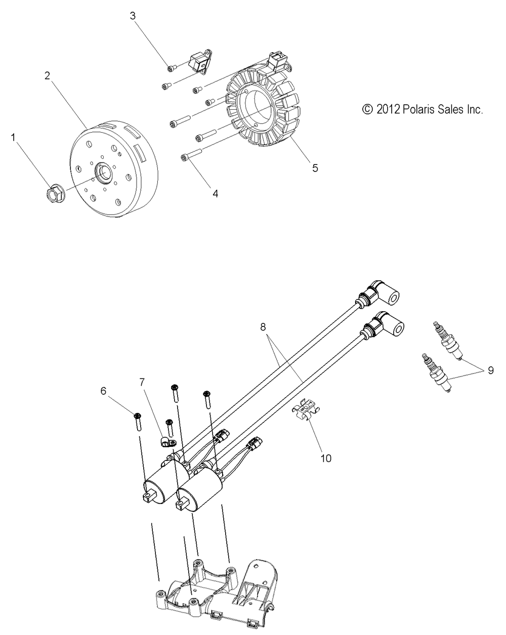
| 1 | NUT-FLANGEM14X1.50 -D | 1 | |
| 2 | FLYWHEEL-KOKDC-SDI | 1 | |
| 3 | SCR-M5X0.8X10 SOC/CP-D | 4 | |
| 4 | SCR-M6X1.0X35 SOC/CP-Y/D | 3 | |
| 5 | STATOR | 1 | |
| 6 | SCREW 1.12(10) (10 per pack) | 4 | |
| 7 | CLAMP-CABLENYLON5/16" | 1 | |
| 8 | CAP-SPARKPLUG | 2 | |
| 8 | COIL-IGNDC-SDIW/ZIPPTO [INCL. LEAD CAP] | 1 | |
| 8 | COIL-IGNDC-SDIW/ZIP TIEMAG [INCL. LEAD CAP] | 1 | |
| 9 | SPARK PLUG-NGK BPR 9ES(10) (10 per pack) | 2 | |
| 10 | CLIP-HOSE 7.94-9.52 | 1 |
