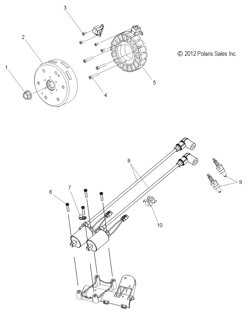
ELECTRICAL IGNITION SYSTEM - S13CG6GSA / GSL / GEA (49SNOWIGNITION13RMKASLT)

Корзина пуста