| № | Наименование | Примечание | Кол-во |
|---|---|---|---|
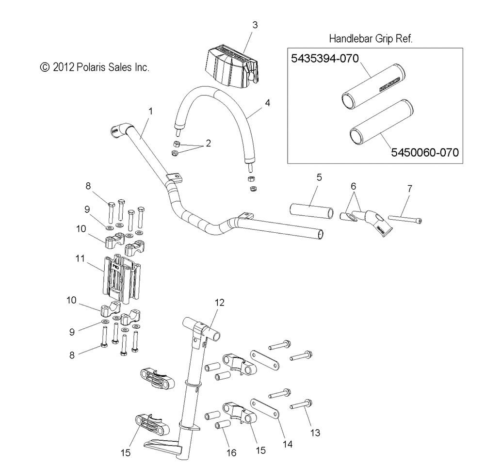
| 1 | WELD-HANDLE BARRMKBLK | 1 | |
| 2 | NUT HEX | 2 | |
| 2 | NUTNYLOK | 2 | |
| 3 | COVER-HANDLEBAR | 1 | |
| 4 | KIT-MOUNTAIN BARBLK | 1 | |
| 5 | GRIP-HANDLEBARRMKBLK [Hook Style] | 2 | |
| 5 | GRIP-HANDLEBARRMKBLK | 2 | |
| 6 | HOOKHNDLBAR45DEGBLK | 2 | |
| 7 | SCR-SOCKET HEADSS5/16-18X3.00 | 2 | |
| 8 | SCR-HH M8X1.25X45 8.8 ZOD | 8 | |
| 9 | WASHER-.344X.688X.063 FL-ZOD | 8 | |
| 10 | CLAMP-HANDLE BARRETAINER | 4 | |
| 11 | BLOCK-HANDLEBAR RISER 89MM [INDY] | 1 | |
| 12 | WELD-STRG POST UPPERSTDECOAT [155 INCH] | 1 | |
| 13 | SCR-HXFL-M8X1.25X55 8.8 ZODP30 | 4 | |
| 14 | STRAP-STRG | 2 | |
| 15 | BUSHING-STRG POST | 4 | |
| 16 | SPACER-BUSHING | 4 |
