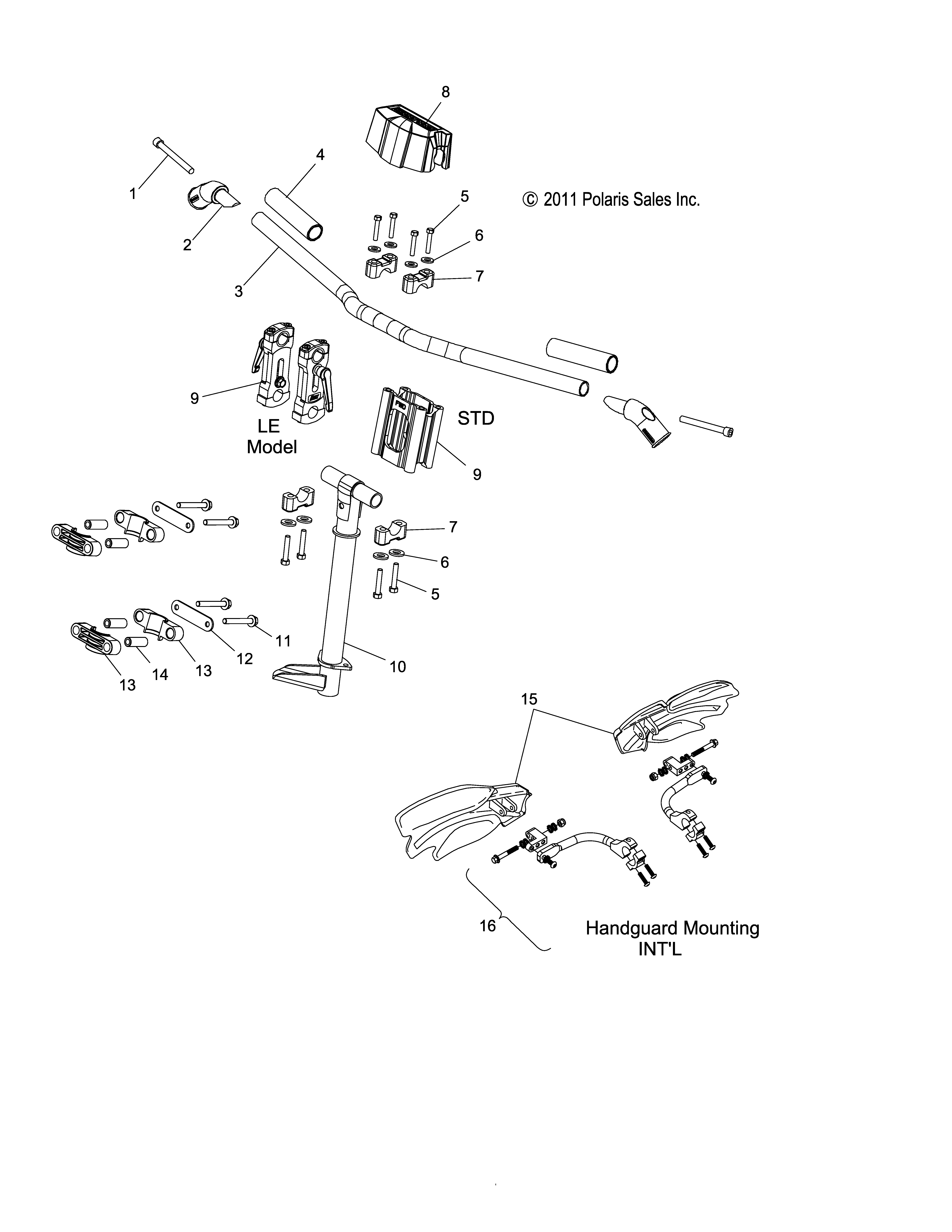
| № | Наименование | Примечание | Кол-во |
|---|---|---|---|
| 1 | SCR-SOCKET HEADSS5/16-18X3.00 | 2 | |
| 2 | HOOKHNDLBAR45DEGBLK | 2 | |
| 3 | BAR-HANDLE BLK | 1 | |
| 4 | GRIP-HANDLEBARRMKBLK [Hook Style] | 2 | |
| 5 | SCR-HH M8X1.25X45 8.8 ZOD | 8 | |
| 6 | WASHER-.344X.688X.063 FL-ZOD | 8 | |
| 7 | CLAMP-HANDLE BARRETAINER | 4 | |
| 8 | COVER-HANDLEBAR | 1 | |
| 9 | ASM-HB RISER ROX ADJ [LE] | 2 | |
| 9 | BLOCK-HANDLEBAR RISER 89MM [INDY] | 1 | |
| 10 | WELD-STEERING POST UPPER BLK | 1 | |
| 11 | SCR-HXFL-M8X1.25X60 8.8 ZOD | 4 | |
| 12 | STRAP-STRG | 2 | |
| 13 | BUSHING-STRG POST | 4 | |
| 14 | SPACER-BUSHING | 4 | |
| 15 | HANDGUARDBLACK (PAIR) | 1 | |
| 16 | Kit Billet Mount Handguard | 1 |
