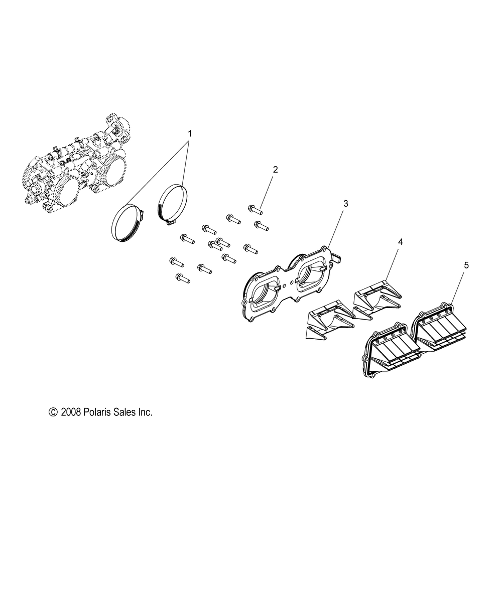
ENGINE REED VALVE and THROTTLE BODY ADAPTOR - S12BS6NSA / NSB / NSC / NSL / NSM / NSP / NEL (49SNOWCARBURETOR09600TRG)

Корзина пуста
Наименование Примечание Кол-во
1 CLAMPNARROW BAND(1.77/2.75) 2
2 SCR-M6X1.0X228MM HEX/FL-Y/D 12
3 ADAPTER-THROTTLE BODYBJ 1
4 STUFFER-REED 600/700SDI 4
5 ASM-REED VALVE 2