| № | Наименование | Примечание | Кол-во |
|---|---|---|---|
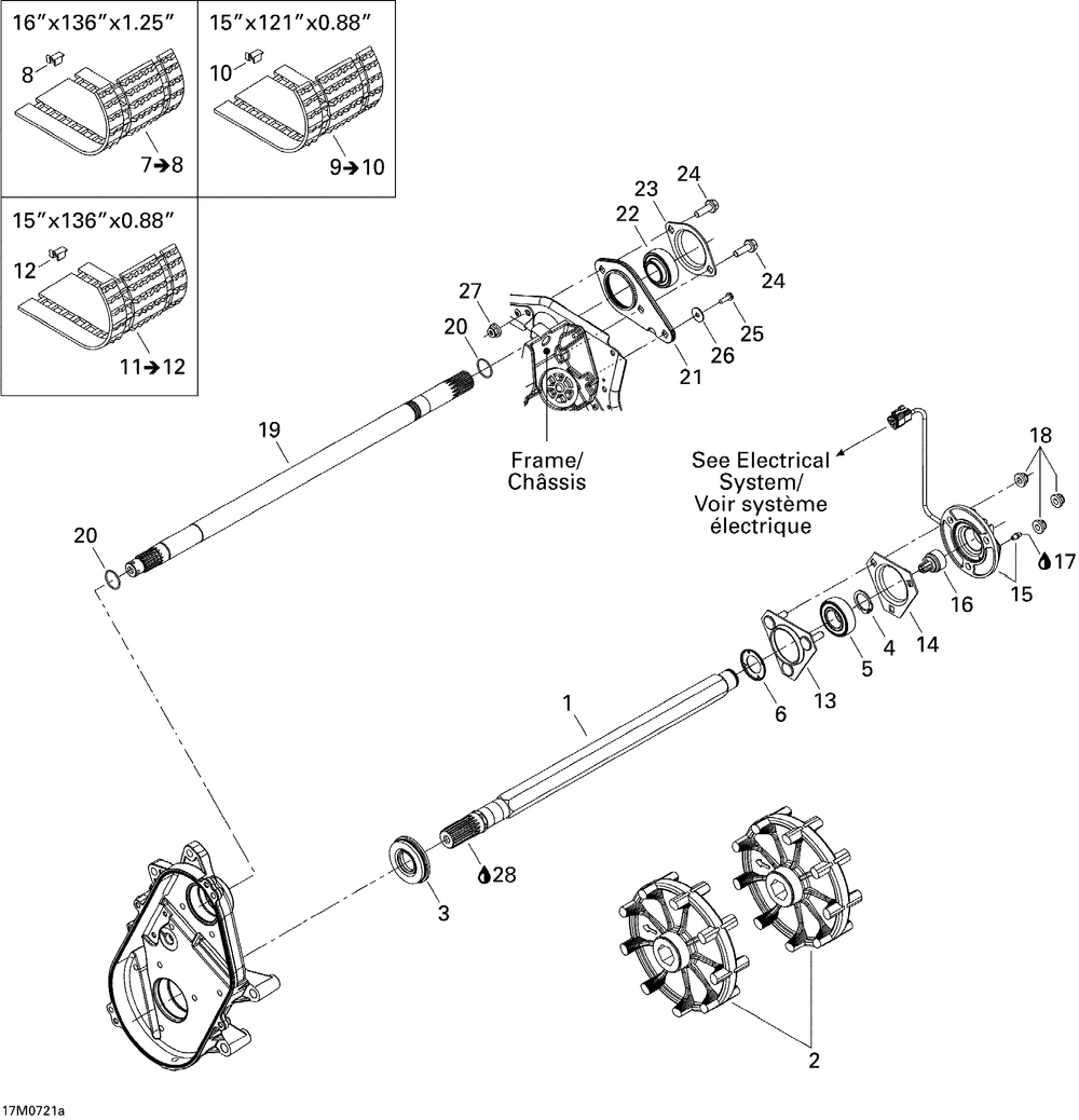
| 1 | DRIVE AXLE | 1 | |
| 2 | SPROCKET 9 TEETH | 2 | |
| 3 | OIL SEAL ASS Y | 1 | |
| 4 | CIRCLIP (5.000 per pack) | 1 | |
| 5 | BALL BEARING | 1 | |
| 6 | BEARING PROTECTOR | 1 | |
| 7 | TRACK 16" X 136" X 1.25" ASS Y Includes 7 to 8 | 1 | |
| 8 | GUIDE *CLIP | 36 | |
| 9 | TRACK 15" X 121" X 0.88" ASS Y Includes 7 to 8 | 1 | |
| 11 | TRACK 15" X 136" X 0.88" ASS Y Includes 7 to 8 | 1 | |
| 13 | BEARING HOUSING | 1 | |
| 14 | FLANGE | 1 | |
| 15 | ROTATION SENSOR | 1 | |
| 16 | MAGNETIC ADAPTOR | 1 | |
| 17 | SUSPENSION GREASE 10 X 400 G | 0 | |
| 18 | Hex. Flanged Elastic Nut M8 | 3 | |
| 19 | COUNTER SHAFT | 1 | |
| 20 | CIRCLIP (10.000 per pack) | 2 | |
| 21 | SPACER | 1 | |
| 22 | ENS ROULEMENT BILLE*BALL BEARING KIT | 1 | |
| 23 | FLANGE | 1 | |
| 24 | HEX. FLANGED SCREW M8 X 25 SCOTCH GRIP (10.000 per pack) | 2 | |
| 25 | HEX. FLANGED SCREW M5 X 16 SCOTCH GRIP (2.000 per pack) | 1 | |
| 26 | FLAT WASHER (10.000 per pack) | 1 |
