Оригинальные каталоги
Масла и жидкости
Масла моторные
Масла трансмиссионные
Жидкости гидравлические
Жидкости охлаждающие
Жидкости тормозные
Масла гидравлические
Масла для вилок и амортизаторов
Масла компрессорные
Жидкости для стекол
Масла для цепей бензопил
Масла индустриальные
Масла промывочные
Раствор мочевины AdBlue
Автоэлектроника
Видеорегистраторы
Пылесосы автомобильные
FM трансмиттеры
Зарядные устройства
Разветвители, удлинители прикуривателя
Кабели
Вентиляторы автомобильные
Штекер прикуривателя
Датчик парктроника
Камеры заднего вида
Мониторы парковочные
Парктроники
Термометры
Накидки на сиденье с подогревом
Автохолодильники
Антирадары
Диагностический сканер
Аксессуары
Набор автомобилиста
Ароматизаторы
Тросы буксировочные
Канистры
Ремни крепления груза
Стяжки-резинки крепления
Сетки для крепления груза
Скотч
Влажные салфетки
Держатели телефонов, планшетов
Карты памяти
Наушники
Аккумулятор холода
Термосумки и контейнеры
Фонарики
Батарейки
Оплетки на руль
Огнетушители
Салфетки, полотенца, варежки
Инструмент
Домкраты
Компрессоры
Манометры
Насосы
Светильники переносные
Шарнирно-губцевый инструмент
Ударный инструмент
Метчики. Плашки
Заклёпочники
Заклёпки
Измерительный инструмент
Свёрла
Отвёртки
Изолента
Надфили. Напильники
Ножи, ножовки
Щётки
Абразивная бумага
Специнструмент
Ключи
Хомуты
Дрель-шуруповерт
Автохимия
Присадки
Промывки
Очистители
Смазки спрей
Смазки пластичные
Герметики
Средство для рук
Клей
Лакокрасочные материалы
Автошампуни
Полироли
Антифриз для тормозной системы
Масло для пропитки фильтров
Антикоррозионные составы
Прочее
Электрооборудование
Зарядные устройства
Инверторы
Конвертеры
Звуковые сигналы
Провода прикуривания
Предохранители
Противотуманные фары
Дневные ходовые огни
Электрика фаркопа
Шины и диски
Автошины
Грузовые шины
Мотошины
Камеры
Мотокамеры
Лента обода шины
Колпаки
Диски
Одежда и экипировка
Жилеты
Запчасти
Аккумуляторы
Лампы
Щетки стеклоочистителя
Гофры глушителя
Велотовары
Велосипеды
Самокаты
Велокамеры
Искать по VIN или номеру детали
Поиск по штрих-коду
Искать по VIN-номеру
Войти
Авторизация
Логин
Пароль
Напомнить пароль
Запомнить
Войти
Зарегистрироваться
Авторизоваться другим способом
Востановить пароль
Введите ваш email:
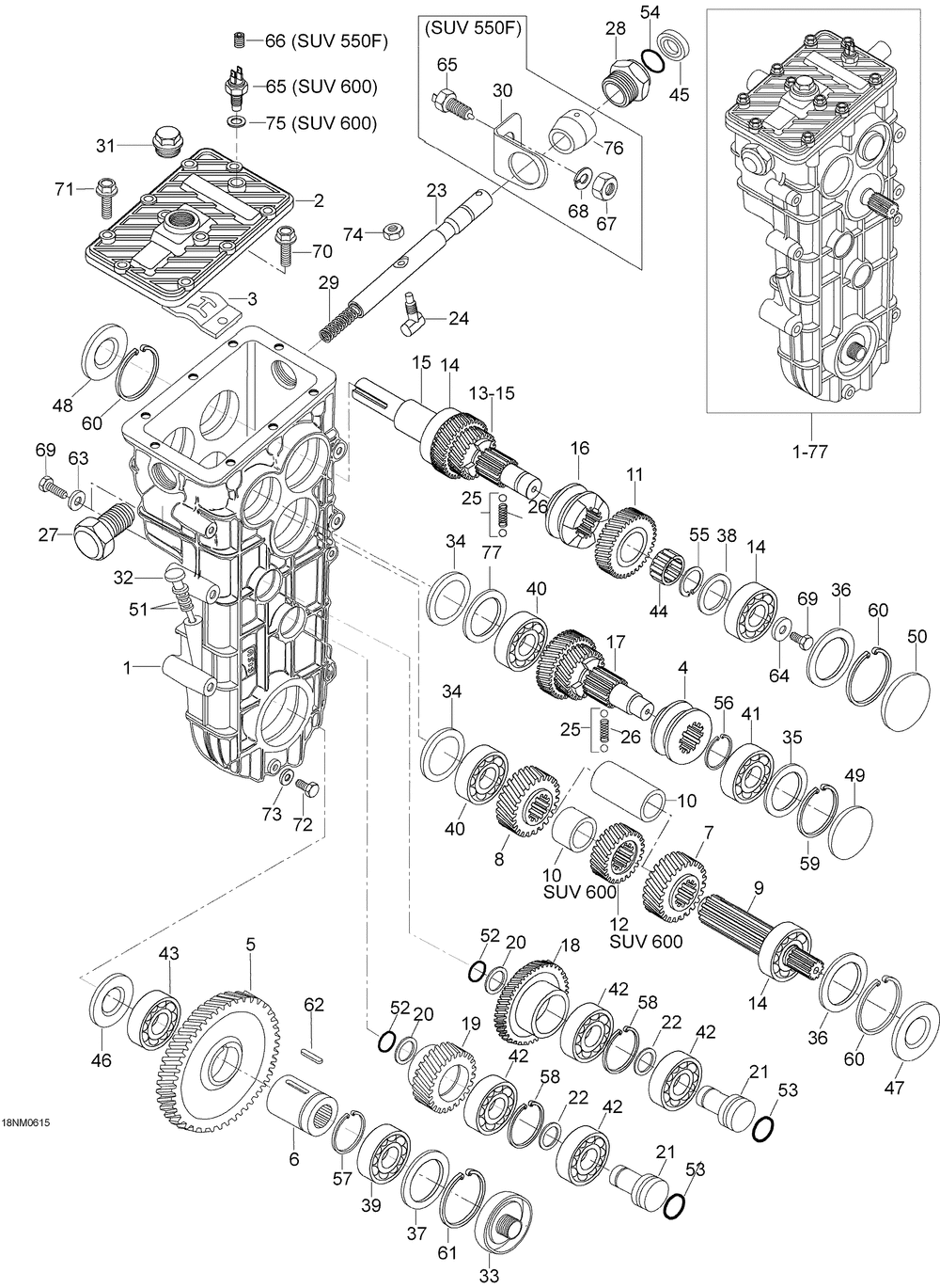
05- Transmission 600 SUV
Корзина пуста
SKI-DOO
Skandic SUV 600
Skandic SUV 600
05- Transmission 600 SUV
№
Наименование
Примечание
Кол-во
1
TRANSMISSION *TRANSMISSION SUV 600 Includes 1 to 71
1
1
CARTER CHAINE U*CASE-CHAIN MACH.
1
2
LOCK
1
3
SCHEMA EN H*H SCHEME
1
4
CLUTCH WHEEL (TWO SIDE)
1
5
GEAR Z=53
1
6
AXE *SHAFT
1
7
PIGNON 27 *SPROCKET-27
1
8
WHEEL Z=34 L.H.
1
9
AXE *SHAFT
1
10
SLEEVE
1
11
PIGNON 29 *SPROCKET-29
1
12
GEAR Z=29
1
13
VARIATOR SHAFT
1
14
ROULEMENT BILLE*BALL BEARING
3
15
DOUILLE*SLEEVE
1
16
CLUTCH WHEEL (TWO SIDE)
1
17
SHAFT
1
18
ROUE DENTEE 28D*SPROCKET 28TH
1
19
GEAR Z=31
1
20
SHIM
2
21
AXE *SHAFT
2
22
WASHER
2
23
SHAFT
1
24
PIN
1
25
BALL
4
26
SPRING
2
27
ECROU A DOUILLE*NUT-SLEEVE
1
28
ECROU A DOUILLE*NUT-SLEEVE
1
29
RESSORT *SPRING
1
31
OILPLUG
1
32
OIL DIPSTICK
1
33
BOUCHON*PLUG
1
34
BOUCHON *PLUG
2
35
SHIM 03MM
2
36
SHIM 03MM
3
37
CALE*SHIM
1
38
RONDELLE *WASHER-AXIAL
1
39
BEARING
1
40
ROULEMENT BILLE*BALL BEARING
2
41
BEARING
1
42
BEARING
4
43
BEARING
1
44
BEARING-NEEDLE
1
45
OIL SEAL
1
46
OIL SEAL
1
47
OIL SEAL
1
48
SEAL
1
49
PLUG
1
50
PLUG
1
51
O-RING
3
52
JOINT TORIQUE *O RING
2
53
O-RING
2
54
O-RING
1
55
CIRCLIP*CIRCLIP
1
56
ANNEAU*CIRCLIP
1
57
CIRCLIP *CIRCLIP
1
58
CIRCLIP
2
59
RETAINING RING (1=10PCS) (10.000 per pack)
1
60
ANNEAU DE BLOCAGE*RING-LOCK
3
61
SNAPRING
1
62
CLAVETTE *KEY
1
63
RONDELLE *WASHER
2
64
RONDELLE *WASHER
1
65
SWITCH
1
69
HEX. SCREW M8 X 20 (10.000 per pack)
3
70
HEX SC. M8 X 16 BM73 M8.8 ZN(1=10PCS) (10.000 per pack)
2
71
SCREW 80 X 25
8
72
BOUCHON *PLUG
1
73
GASKET-RING
1
74
ECROU *NUT
1
75
RONDELLE*WASHER
3
77
SHIM 0.5 MM
2