| № | Наименование | Примечание | Кол-во |
|---|---|---|---|
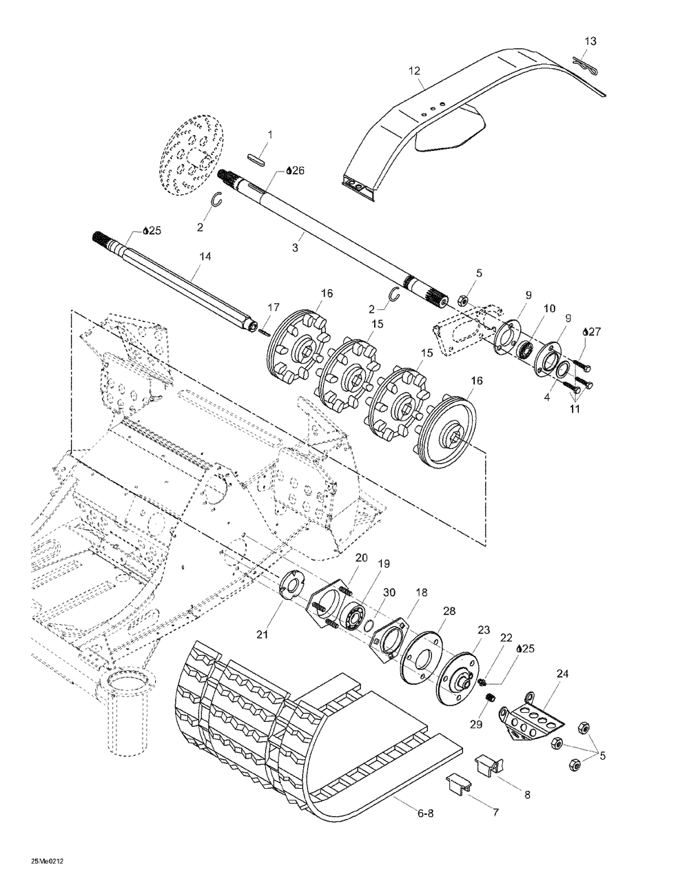
| 2 | CIRCLIP (10.000 per pack) | 2 | |
| 3 | ARBRE RENVOI *SHAFT-COUNTER | 1 | |
| 4 | SPACER | 1 | |
| 5 | Hex. Elastic Stop Nut M8 | 6 | |
| 6 | TRACK | 1 | |
| 7 | AGRAFE *CLEAT | 0 | |
| 8 | AGRAFE DE GUIDE*CLEAT-GUIDE | 0 | |
| 9 | FLANGE | 2 | |
| 10 | BALL BEARING | 1 | |
| 11 | HEX. SCREW M8 X 20 (10.000 per pack) | 3 | |
| 12 | BELT COVER ASS Y | 1 | |
| 13 | PIN | 1 | |
| 14 | ARBRE ENTRAIN. *AXLE-DRIVE | 1 | |
| 15 | SPROCKET | 2 | |
| 16 | BARBOTIN *SPROCKET | 2 | |
| 17 | SPEED DRIVE INSERT | 1 | |
| 18 | FLANGE | 1 | |
| 19 | BALL BEARING | 1 | |
| 20 | BEARING HOUSING | 1 | |
| 21 | BEARING PROTECTOR | 1 | |
| 22 | GREASE FITTING M6 X 100(1=10PCS) (10.000 per pack) | 1 | |
| 23 | FLANGE SPEEDO DRIVE INSERT | 1 | |
| 24 | CABLE PROTECTOR | 1 | |
| 25 | SUSPENSION GREASE 10 X 400 G | 1 | |
| 26 | LOCTITE 767 ANTISEIZE LUBRICANT 8 OZ | 0 | |
| 27 | LOCTITE 271 10 ML | 0 | |
| 28 | RONDELLE *WASHER | 1 | |
| 30 | RETAINING RING 25X2 DIN471(1=10PCS) (10.000 per pack) | 1 |
