Оригинальные каталоги
Масла и жидкости
Масла моторные
Масла трансмиссионные
Жидкости гидравлические
Жидкости охлаждающие
Жидкости тормозные
Масла гидравлические
Масла для вилок и амортизаторов
Масла компрессорные
Жидкости для стекол
Масла для цепей бензопил
Масла индустриальные
Масла промывочные
Раствор мочевины AdBlue
Автоэлектроника
Видеорегистраторы
Пылесосы автомобильные
FM трансмиттеры
Зарядные устройства
Разветвители, удлинители прикуривателя
Кабели
Вентиляторы автомобильные
Штекер прикуривателя
Датчик парктроника
Камеры заднего вида
Мониторы парковочные
Парктроники
Термометры
Накидки на сиденье с подогревом
Автохолодильники
Антирадары
Диагностический сканер
Аксессуары
Набор автомобилиста
Ароматизаторы
Тросы буксировочные
Канистры
Ремни крепления груза
Стяжки-резинки крепления
Сетки для крепления груза
Скотч
Влажные салфетки
Держатели телефонов, планшетов
Карты памяти
Наушники
Аккумулятор холода
Термосумки и контейнеры
Фонарики
Батарейки
Оплетки на руль
Огнетушители
Салфетки, полотенца, варежки
Инструмент
Домкраты
Компрессоры
Манометры
Насосы
Светильники переносные
Шарнирно-губцевый инструмент
Ударный инструмент
Метчики. Плашки
Заклёпочники
Заклёпки
Измерительный инструмент
Свёрла
Отвёртки
Изолента
Надфили. Напильники
Ножи, ножовки
Щётки
Абразивная бумага
Специнструмент
Ключи
Хомуты
Дрель-шуруповерт
Автохимия
Присадки
Промывки
Очистители
Смазки спрей
Смазки пластичные
Герметики
Средство для рук
Клей
Лакокрасочные материалы
Автошампуни
Полироли
Антифриз для тормозной системы
Масло для пропитки фильтров
Антикоррозионные составы
Прочее
Электрооборудование
Зарядные устройства
Инверторы
Конвертеры
Звуковые сигналы
Провода прикуривания
Предохранители
Противотуманные фары
Дневные ходовые огни
Электрика фаркопа
Шины и диски
Автошины
Грузовые шины
Мотошины
Камеры
Мотокамеры
Лента обода шины
Колпаки
Диски
Одежда и экипировка
Жилеты
Запчасти
Аккумуляторы
Лампы
Щетки стеклоочистителя
Гофры глушителя
Велотовары
Велосипеды
Самокаты
Велокамеры
Искать по VIN или номеру детали
Поиск по штрих-коду
Искать по VIN-номеру
Войти
Авторизация
Логин
Пароль
Напомнить пароль
Запомнить
Войти
Зарегистрироваться
Авторизоваться другим способом
Востановить пароль
Введите ваш email:
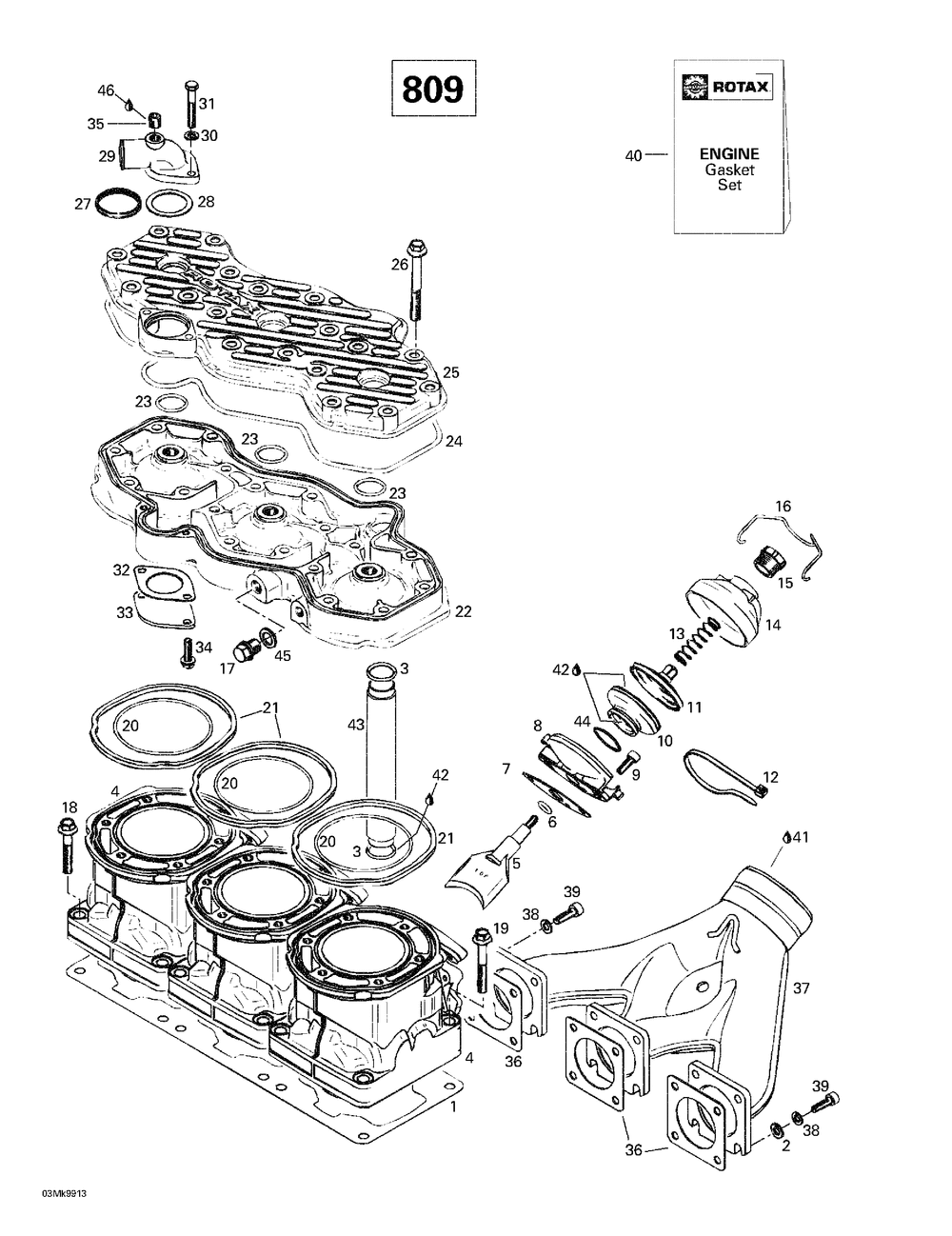
01- Cylinder Exhaust Manifold (809)
Корзина пуста
SKI-DOO
Grand Touring SE
Grand Touring SE
01- Cylinder Exhaust Manifold (809)
№
Наименование
Примечание
Кол-во
JOINT .3MM *GASKET-.3MM
0
JOINT .4MM *GASKET-.4MM
0
1
JOINT .6MM *GASKET-.6MM
0
2
FLAT WASHER 6 MM (10.000 per pack)
6
3
O-RING (5.000 per pack)
2
5
SOUPAPE ECHAP. *VALVE-EXHAUST
3
6
O-RING (10.000 per pack)
3
7
JOINT *GASKET (5.000 per pack)
3
9
Socket Head Screw M6 X 16
6
10
EXHAUST BELLOWS
3
11
EXHAUST VALVE MX-Z 600.
3
13
RESSORT *SPRING
3
14
VALVE COVER Legend 500.
3
15
ADJUSTER SCREW
3
16
SPRING CLIP MX-Z 500. (2.000 per pack)
3
17
PLUG SCREW M12 X 1.5
1
18
HEX. COLLAR SCREW M8 X 45
6
19
SCREW-HEX COLLAR M8X53.5 SW 11
6
20
O-RING MX Z 500. (3.000 per pack)
3
21
BAGUE ETANCHE *RING-SEAL (3.000 per pack)
3
22
CULASSE SILVER *HEAD-CYL.SILVER
1
23
O-Ring
3
24
JOINT TORIQUE *O RING
1
26
HEX. SCREW M8 X 68.5 (5.000 per pack)
18
27
SEALING RING
1
28
RETAINING DISK
1
30
WASHER-LOCK DIN.128 (10.000 per pack)
2
31
HEX. SCREW M6 X 40 (10.000 per pack)
2
32
JOINT *GASKET GT 700.
1
33
COVER
1
34
TAPTITE SCREW M6 X 16 (10.000 per pack)
2
35
PLUG SCREW
1
36
JOINT *GASKET (6.000 per pack)
3
38
WASHER-LOCK BLACK DIN.127B (10.000 per pack)
12
39
SOCKET HEAD SCREW M6 X 25 GT SE. GT SE Millennium Edition. (10.000 per pack)
12
40
ENS.JOINT ETANC*KIT-GASKET GT SE. GT SE Millennium Edition.
1
41
SEALANT LOCTITE 80 ML Grand Touring 500. Grand Touring 600.
0
42
DOW CORNING 111*DOW CORNING 111
0
44
SPRING CLAMP (5.000 per pack)
3
45
WASHER COPPER
1
46
LOCTITE 243 10 ML
0